"Емкостный бесконтактный выключатель AR-CM30-3015 для контроля уровня сыпучих и жидких материалов в емкостях и резервуарах, сигнализации разрыва лент и ремней приводных механизмов, счета и позиционирования объектов, определения наличия вещества через неметаллическую стенку, в качестве конечных выключателей
Особенности: - Срабатывание на приближение любых объектов
- Индикатор срабатывания
Технические характеристики:
| Параметр | Значение |
| Максимальный ток нагрузки | 200 мА |
| Типы выходных устройств | Транзисторный ключ NPN или PNP |
| Максимальная частота переключения | 200 Гц |
| Диапазон рабочих температур | −20…70°С |
| Питание | =6…36 В |
| Длина провода | 1,95 м |
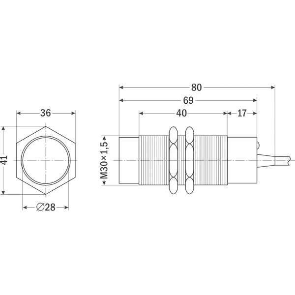
| Резьба | М30×1,5 |
| Габаритные размеры | 41×36×80 мм |
"
| Модель | Тип | Контакт |
| AR-CM30-3015NC | NPN | НО+НЗ |
| AR-CM30-3015PC | PNP | НО+НЗ |
"
| Габаритные размеры |
 |
"