"Клапан соленоидный нормально закрытый прямого действия с поршнем AR-CS-728A предназначен для управления потоком рабочей среды в трубопроводе
Особенности: - Возможна замена на другое реле времени РВК с другими диапазонами времени
- Срабатывание при нулевом давлении
- Работа при высоком давлении до 1,6 МПа
Принцип действия и область применения:Нормально закрытый соленоидный клапан – это магнитный клапан, в котором закрытое положение сохраняется, если управляющее напряжение на его индукционную катушку не подается. При подаче напряжения на катушку нормально закрытый клапан открывается и пропускает через себя поток рабочей среды. При отключении управляющего напряжения этот клапан автоматически закрывается и перекрывает поток рабочей среды в трубопроводе. При обрыве провода управляющего напряжения клапан будет закрыт.В большинстве случаев подходит для эксплуатации в системах водоснабжения, теплоснабжения, вентиляции и пневмоуправления. Особенно актуально применение данного типа клапана, когда клапан должен быть закрыт большую часть времени либо когда он обязательно должен быть закрыт при отключении электропитания системы.
Технические характеристики:
| Параметр | Значение |
| Рабочая среда | Вода, воздух |
| Материал | Корпуса | Латунь |
| Уплотнения | NBR |
| Температура рабочей среды | 0...80°С |
| Рабочее давление | 0...1,6 МПа |
| Диаметр условного прохода | 3,5 мм |
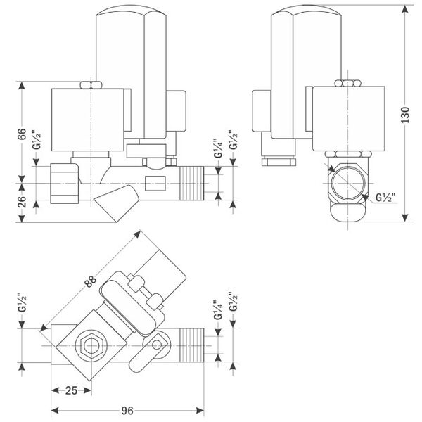
| Присоединение | Вход − резьбовое наруж. G½", внутр. G¼"Выход − резьбовое внутр. G½" |
| Катушка | AS11H, IP65SB257, IP65Энергосберегающая ASE11H, IP65Взрывозащищенная ASEx543, IP65 |
| Питание | AS11H | ~220 В, ~110 В, ~24 В, =110 В, =24 В, =12 В |
| SB257 | ~220 В, ~110 В, ~24 В, =24 В, =12 В |
| ASE11H | ~220 В, =24 В, =12 В |
| ASEx543 | ~220 В, ~110 В, ~24 В=24 В, =12 В |
| Мощность | AS11H | 22 ВА (AC), 13 Вт (DC) |
| SB257 | 28 ВА (AC),18 Вт (DC) |
| ASE11H | 4,5 ВА (AC), 8 Вт (DC) |
| ASEx543 | 23 ВА (AC), 13 Вт (DC) |
| Реле времени | РВК234 | ≅24...220 В; 1 А |
| РВК237 | ≅110...240 В; 1 А≅7…36 В; 1 А |
| РВК790 | ≅110...240 В; 1,5 А≅7…36 В; 1,5 А |
Модификации: | Модель | Ду, мм | Kv, м³/ч | Присоединение | Pmin, МПа | Pmax, МПа | Катушка | Вес, кг |
| AR-CS-728A GBN | 3,5 | 0,4 | Вход − резьбовое наруж. G½", внутр. G¼"Выход − резьбовое внутр. G½" | 0 | 1,6 | AS11H, SB257, ASE11H, ASEx543 | 0,55 |
"
| Габаритные размеры |
 |
"