"Индуктивный бесконтактный выключатель AR-LM18-3008 применяется в качестве конечного выключателя, датчика положения, датчика оборотов и количества продукции в автоматических линиях, станках и т. п.
Особенности: - Срабатывает при приближении металла
- Нечувствителен к диэлектрикам – обладает высокой защищенностью от помех (рук оператора, эмульсии, воды, смазки и т.д.)
- Индикатор срабатывания
Технические характеристики:
| Параметр | Значение |
| Расстояние срабатывания | 8 мм |
| Типы выходных устройств | Транзисторный ключ NPN или PNP |
| Контакт | НО+НЗ |
| Максимальный ток нагрузки | 200 мА |
| Максимальная частота переключения | 200 Гц |
| Диапазон рабочих температур | −20...70°С |
| Питание | =6...36 В |
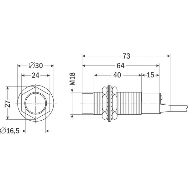
| Резьба | М18×1 |
| Габаритные размеры | ∅ 30×73 мм |
"
| Модель | Тип | Контакт |
| AR-LM18-3008NC | NPN | НО+НЗ |
| AR-LM18-3008PC | PNP | НО+НЗ |
"
| Габаритные размеры |
 |
"