"AR-WPS-011 – это системы предотвращения протечек, которые можно устанавливать в квартирах и загородных домах, общественных и административных зданиях, промышленных и складских помещениях, котельных и локальных тепловых пунктах, станциях водоочистки, в системах водоснабжения и отопления – везде, где возможна утечка жидкости.
При появлении жидкости между электродами датчика AR-WS система предотвращения протечек подаст звуковой сигнал тревоги и автоматически перекроет подачу жидкости с помощью шарового крана с электроприводом. Открытие крана и возобновление подачи жидкости возможно только после устранения влаги между электродами датчика.
Состав системы:
Системы предотвращения протечек AR-WPS-011 состоят из двух основных элементов: одного датчика обнаружения протечки AR-WS и шарового крана в сборе с электроприводом, предназначенного для экстренного прекращения подачи жидкости.Датчики обнаружения протечки AR-WS устанавливаются электродами вниз в местах вероятного появления жидкости: под ванной, мойкой, рядом с унитазом или раковиной, под стиральной и посудомоечной машинами, батареей или котлом отопления, бойлером и т.д.Шаровой кран с электроприводом предназначен для перекрытия водоснабжения (отопления) в случае возникновения протечки. Шаровой кран устанавливается на вводных трубопроводах горячей и холодной воды (или системе отопления) после ручных вентилей в местах, удобных для монтажа и обслуживания. В зависимости от назначения системы шаровые краны бывают разных размеров (с диаметром условного прохода – 15 или 20 мм). Шаровой кран с диаметром ½ дюйма применяется, как правило, для разводки горячей и холодной воды по дому, ¾ дюйма – для систем отопления, 1 дюйм – в системах централизованного водоснабжения или в котлах.
Особенности:
- Длина провода датчика AR-WS: 6 м
- Датчики системы подходят для работы с теплоносителями (антифриз, этиленгликоль, тосол)
- Защита трубопровода от гидравлических ударов
- Благодаря специальной конструкции крана
- Удобство в эксплуатации и обслуживании
- Блок питания =5 В, 1 А в комплекте
Технические характеристики:
| Параметр | Значение |
| Материалы крана | Корпус: латунь; уплотнение: PTFE |
| Рабочая среда | Вода, горячая вода, теплоносители (антифриз, этиленгликоль, тосол), спирт |
| Температура рабочей среды | 0...100°С |
| Рабочее давление | 0...1 МПа |
| Диаметр условного прохода крана | 15 мм | 20 мм |
| Присоединение крана | ½" или ¾" | 1" |
| Угол полного поворота | 90° (вращение в обоих направлениях) |
| Max крутящий момент | 2 Н∙м |
| Время полного поворота | ≤ 5 с |
| Напряжение питания | =5 В |
| Потребляемая мощность | ≤ 5 Вт |
| Рабочий ток | ≤ 1 А |
| Время запуска тревоги | 1 с |
| Срок службы | не менее 50 000 срабатываний |
| Степень защиты | IP65 |
| Длина провода датчика AR-WS | 6 м |
| Вес- AR-WPS-011- блок питания | 375 г70 г | 525 г70 г |
| Элементы систем |
 |
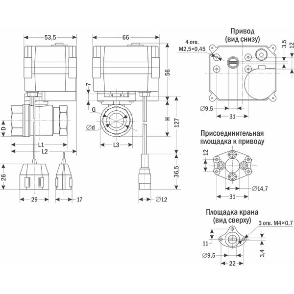
| Габаритные размеры |
 |
| Размер, мм | AR-WPS-011-15 | AR-WPS-011-20/15 | AR-WPS-011-25/20 |
| ∅d | 15 | 15 | 20 |
| D | 15 | 17 | 23 |
| G | ½" | ¾" | 1" |
| H | 38 | 38 | 49 |
| L1 | 57 | 61 | 72 |
| L2 | 66 | 66 | 74 |
| L3 | 33 | 33 | 43 |
"