"Клапан соленоидный нормально открытый непрямого действия с поршнем AR-YCP32 (VITON) предназначен для управления потоком рабочей среды в трубопроводе
Особенности: - Долгий срок службы уплотнителя в среде пара
- Конструкция предусматривает долгосрочную эксплуатацию в системе паротрубопроводов
- Защита трубопровода от гидравлических ударов благодаря специальной конструкции клапана
- Работа при высоком давлении до 1,6 МПа
Принцип действия и область применения:Нормально открытый соленоидный клапан – это клапан, который при отсутствии напряжения на его индукционной катушке открыт для потока рабочей среды через него. При подаче напряжения на катушку магнитный клапан этого типа закрывается и остается закрытым все время, пока напряжение подается на катушку. При обрыве провода управляющего напряжения клапан будет открыт.
В большинстве случаев подходит для эксплуатации в системах водоснабжения, теплоснабжения, вентиляции и пневмоуправления. Особенно актуально применение данного типа клапана, когда клапан должен быть открыт большую часть времени либо когда он обязательно должен быть открыт при отключении электропитания системы.
Технические характеристики:
| Параметр | Значение |
| Рабочая среда | Пар, вода, горячая вода, масла, спирт |
| Материал | Корпуса: нержавеющая стальУплотнения: VITON |
| Температура рабочей среды | −20...150°С |
| Температура окружающей среды | −30…50°С |
| Рабочее давление | 0,05…1,6 MПa |
| Диаметр условного прохода | 32...50 мм |
| Присоединение | Резьбовое G1¼"...G2" |
| Катушка | S21H, IP65Энергосберегающая ASE21H*, IP65Взрывозащищенная ASEx1320, IP65Взрывозащищенная ASEx282, IP65 |
| Питание | ~220 В, ~110 В**, ~24 В**=24 В, =12 В |
| Мощность | S21H: 22 ВА (АС), 15 Вт (DC)ASE21H: 5,5 ВА (АС), 12 Вт (DC)ASEx1320: 28 ВА (AC), 20 Вт (DC)ASEx282: 24 ВА (AC), 17 Вт (DC) |
* Для установки катушки ASE21H на клапан нужна рассверловка до ∅ 15 мм металлической пластины верхней части катушки** Кроме ASE21H и ASEx1320
Модификации:| Модель | Ду, мм | Kv, м³/ч | Присоединение | Pmin , МПа | Pmax , МПа | Катушка |
| AR-YCP32-32 GSV | 32 | 20 | G1¼" | 0,05 | 1,6 | S21H, ASE21H, ASEx1320, ASEx282 |
| AR-YCP32-40 GSV | 40 | 25 | G1½" |
| AR-YCP32-50 GSV | 50 | 41 | G2" |
"
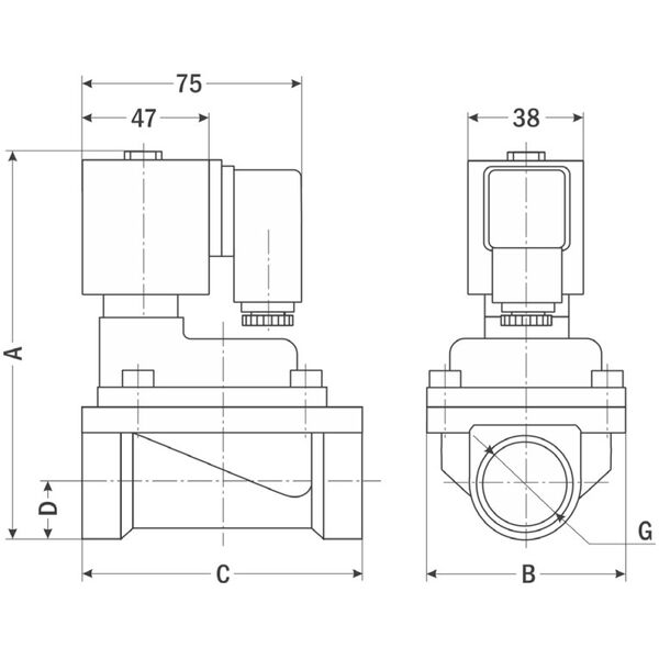
| Габаритные размеры |
 |
| Размер, мм | AR-YCP32-12 | AR-YCP32-15 | AR-YCP32-20 | AR-YCP32-25 | AR-YCP32-32 | AR-YCP32-40 | AR-YCP32-50 |
| A | 113 | 113 | 127 | 140 | 151 | 173 | 176 |
| B | 48 | 48 | 60 | 72 | 95 | 96 | 120 |
| C | 75 | 75 | 84 | 102 | 129 | 130 | 155 |
| D | 13,5 | 13,5 | 15 | 20 | 28 | 28 | 34 |
| G | ⅜" | ½" | ¾" | 1" | 1¼" | 1½" | 2" |
"