"Клапан соленоидный фланцевый нормально открытый непрямого действия с поршнем, для пара AR-YCP32F предназначен для управления потоком рабочей среды в трубопроводе
Особенности: - Конструктивная защита трубопровода от гидравлических ударов
- Долгий срок службы уплотнителя в среде пара
Принцип действия и область применения:Нормально открытый соленоидный клапан – это клапан, который при отсутствии напряжения на его индукционной катушке открыт для потока рабочей среды через него. При подаче напряжения на катушку магнитный клапан этого типа закрывается и остается закрытым все время, пока напряжение подается на катушку. При обрыве провода управляющего напряжения клапан будет открыт.
В большинстве случаев подходит для эксплуатации в системах водоснабжения, теплоснабжения, вентиляции и пневмоуправления. Особенно актуально применение данного типа клапана, когда клапан должен быть открыт большую часть времени либо когда он обязательно должен быть открыт при отключении электропитания системы.
Технические характеристики:
| Параметр | Значение |
| Рабочая среда | Пар, вода, горячая вода, масла, спирт |
| Материал | Корпуса: нержавеющая стальУплотнения: VITON |
| Температура рабочей среды | −20...150°С |
| Температура окружающей среды | −30…50°С |
| Рабочее давление | 0,05…1,6 MПa |
| Диаметр условного прохода | 25...50 мм |
| Присоединение | Фланцевое F1"...F2" |
| Катушка | S21H, IP65Энергосберегающая ASE21H*, IP65Взрывозащищенная ASEx1320, IP65Взрывозащищенная ASEx282, IP65 |
| Питание | ~220 В, ~110 В**, ~24 В**=24 В, =12 В |
| Мощность | S21H: 22 ВА (АС), 15 Вт (DC)ASE21H: 5,5 ВА (АС), 12 Вт (DC)ASEx1320: 28 ВА (AC), 20 Вт (DC)ASEx282: 24 ВА (AC), 17 Вт (DC) |
* Для установки катушки ASE21H на клапан нужна рассверловка до ∅ 15 мм металлической пластины верхней части катушки** Кроме ASE21H и ASEx1320
Модификации:| Модель | Ду, мм | Kv, м³/ч | Присоединение | Pmin , МПа | Pmax , МПа | Катушка |
| AR-YCP3225 FSV | 25 | 10 | F1" | 0,05 | 1,6 | S21H, ASE21H, ASEx1320Ex, ASEx282 |
| AR-YCP3232 FSV | 32 | 20 | F1¼" |
| AR-YCP3240 FSV | 40 | 25 | F1½" |
| AR-YCP3250 FSV | 50 | 41 | F2" |
"
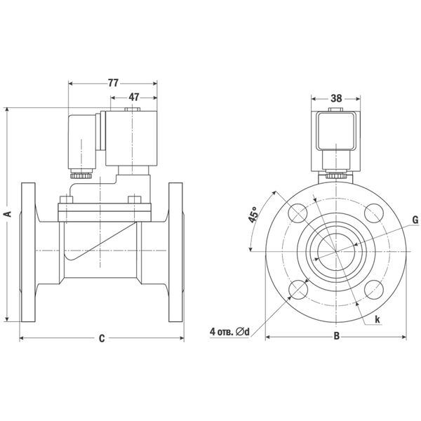
| Габаритные размеры |
 |
| Размер, мм | AR-YCP3225F | AR-YCP3232F | AR-YCP3240F | AR-YCP3250F |
| A | 185 | 205 | 219 | 220 |
| B | 112 | 132 | 142 | 158 |
| C | 125 | 155 | 160 | 181 |
| d | 14 | 18 | 18 | 18 |
| k | 85 | 100 | 110 | 125 |
| G | 1" | 1¼" | 1½" | 2" |
| Вес, кг | 3,3 | 5,1 | 6,17 | 8,1 |
"