"Клапан соленоидный нормально закрытый прямого действия с диафрагмой, для природного газа AR-ZCM предназначен для управления потоком рабочей среды в трубопроводе
Особенности: - Клапан специализированный: для природного и бытового газов
- Срабатывание при нулевом давлении
Принцип действия и область применения:Нормально закрытый соленоидный клапан – это магнитный клапан, в котором закрытое положение сохраняется, если управляющее напряжение на его индукционную катушку не подается. При подаче напряжения на катушку нормально закрытый клапан открывается и пропускает через себя поток рабочей среды. При отключении управляющего напряжения этот клапан автоматически закрывается и перекрывает поток рабочей среды в трубопроводе. При обрыве провода управляющего напряжения клапан будет закрыт.В большинстве случаев подходит для эксплуатации в системах водоснабжения, теплоснабжения, вентиляции и пневмоуправления. Особенно актуально применение данного типа клапана, когда клапан должен быть закрыт большую часть времени либо когда он обязательно должен быть закрыт при отключении электропитания системы.
Технические характеристики:
| Параметр | Значение |
| Рабочая среда | Бытовой и природный газ |
| Материал | Корпуса | Латунь или нержавеющая сталь |
| Уплотнения | VITON |
| Температура рабочей среды | −10…120°С |
| Рабочее давление | 0...0,5 МПа |
| Диаметр условного прохода | 15...50 мм |
| Присоединение | Резьбовое G½"...G2" |
| Катушка | Ду=15...25 мм | S51H, IP65 |
| Ду=32...50 мм | SD01H, IP65Взрывозащищенная ASEx545*, IP65 |
| Питание | ~220 В, ~110 В, ~24 В=24 В, =12 В |
| Мощность | S51H | 40 ВА (АС), 30 Вт (DC) |
| SD01H | 35 ВА (АС), 30 Вт (DC) |
| ASEx545 | 18 Вт (DC) |
* Только для =24 В
Модификации: | Модель | Ду, мм | Kv, м³/ч | Присоединение | Pmin , МПа | Pmax , МПа | Катушка | Вес, кг |
| AR-ZCM15 GXX | 15 | 4,1 | G½" | 0 | 0,5 МПа | S51H | 0,9 |
| AR-ZCM20 GXX | 20 | 7,3 | G¾" | 1 |
| AR-ZCM25 GXX | 25 | 10 | G1" | 1,5 |
| AR-ZCM32 GXX | 32 | 20 | G1¼" | SD01H, ASEx545 | 2,8 |
| AR-ZCM40 GXX | 40 | 25 | G1½" | 3 |
| AR-ZCM50 GXX | 50 | 41 | G2" | 4,8 |
"
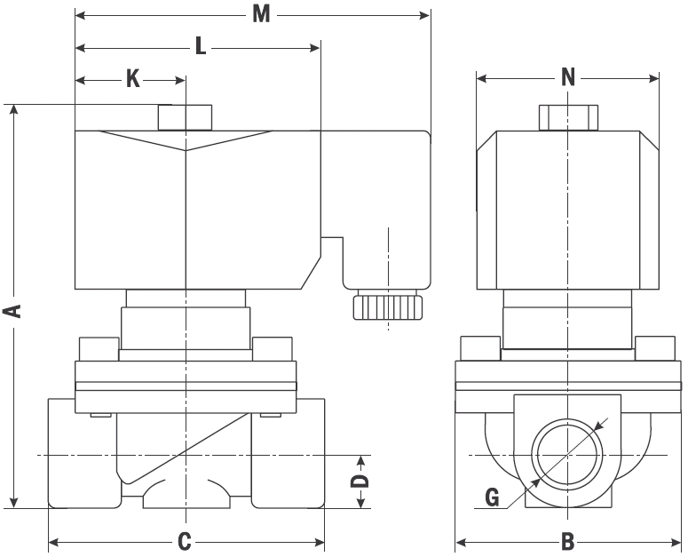
| Габаритные размеры |
 |
| Размер, мм | AR-ZCM15 | AR-ZCM20 | AR-ZCM25 | AR-ZCM32 | AR-ZCM40 | AR-ZCM50 |
| A | 104 | 125 | 120 | 145 | 156 | 180 |
| B | 57,5 | 60 | 77 | 87 | 94 | 123 |
| C | 70 | 75 | 98 | 123 | 130 | 167 |
| D | 14 | 17 | 21 | 25 | 30 | 38 |
| G | ½" | ¾" | 1" | 1¼" | 1½" | 2" |
| K | 28 | 28 | 28 | 34 | 34 | 34 |
| L | 62 | 62 | 62 | 74 | 74 | 74 |
| M | 90 | 90 | 90 | 103 | 103 | 103 |
| N | 46 | 46 | 46 | 56 | 56 | 56 |
"