"Привод AR200 для кранов AR200-2 и AR200-3
Технические характеристики:
| Параметр | Значение |
| Время открытия/закрытия | 12 с или 24 с для ~220 В, 12 с для ~110 В, 12 с для ~24 В, 15...18 с для =24 В |
| Угол поворота | 90° (вращение в обоих направлениях) |
| Крутящий момент | 5 Н·м для ~220 В, ~110 В, ~24 В; 15 Н·м для =24 В |
| Питание, ток, мощность | ~220 В, 40 мА, 8 ВА;"~110 В, 80 мА, 8 ВА;"~24 В, 400 мА, 7 ВА;"=24 В, 100 мА, 1,2 Вт |
| Схема подключения | 3- или 5- проводная схема подключения |
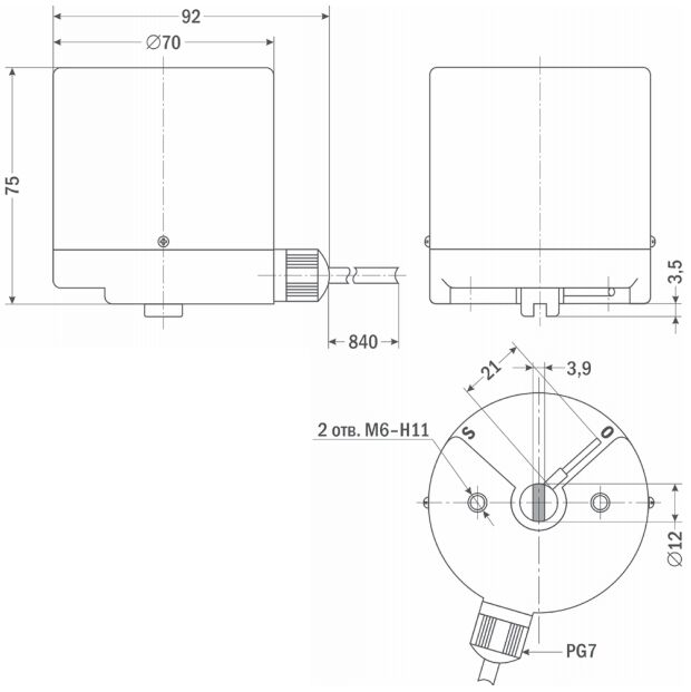
| Длина кабеля | 840 мм |
"
| Габаритные размеры |
 |
"