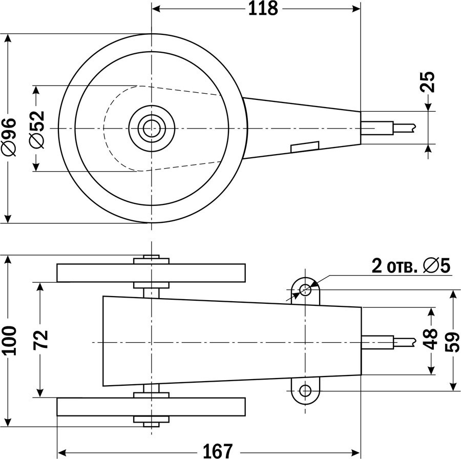
"Энкодер LK-90-1 предназначен для измерения линейного перемещения прибора относительно поверхности (или наоборот) посредством прямого накопительного счета числа оборотов измерительных колес
особенности: - Применение в упаковочной, печатной и текстильной промышленностях, лесо- и древообработке, при протягивании проводов и кабелей и т.п.
- Можно использовать с ВЕХА-С и ВЕХА-Т
Технические характеристики:
| Параметр | Значение |
| Диапазон измерения перемещения | Зависит от используемого СИ (средства измерения) |
| Дискретность счета | 0,01 м, 0,1 м или 1 м |
| Максимальная скорость | 120 м/мин |
| Питание | =9…30 В |
| Температура эксплуатации | −10...40°С |
| Габаритные размеры | 167×100×96 мм |
"
| Габаритные размеры |
 |
"