"Инкрементальный энкодер ARCOM SP58/10 для преобразования угла поворота вращающегося объекта в электрические сигналы, позволяющие определить угол его положения
Особенности: - Датчик на основе оптического элемента и металлического диска
- Компактный корпус
- Защита IP50
Форма выходного сигнала: - BZ – двухтактный, прямоугольные импульсы со сдвигом по фазе на 90° плюс нулевая метка
Технические характеристики:
| Параметр | Значение |
| Количество импульсов на оборот | 1200 |
| Максимальная рабочая скорость | 6000 об/мин |
| Форма выходной цепи | L, H | C, E, F | T |
| Потребление тока | ≤ 150 мА | ≤ 60 мА | ≤ 150 мА |
| Ток нагрузки | 20 мА | 30 мА | 20 мА |
| Напряжение лог. 1 | ≥ 2,5 В | Напряжение питания × 0,7 |
| Напряжение лог. 0 | ≤ 0,5 В |
| Передний фронт/задний фронт | ≤ 100 нс | ≤ 1 мкс | ≤ 100 нс |
| Частота отклика | 150 кГц |
| Радиальная нагрузка | ≤ 30 Н |
| Осевая нагрузка | ≤ 20 Н |
| Начальный крутящий момент | ≤ 2×10-3 Н∙м |
| Максимальное допустимое ускорение | 1×104 рад/с² |
| Ударное ускорение | 1000 м/с² в течение 6 мс |
| Вибрационное ускорение | 1000 м/с², 10...200 Гц |
| Питание | =5 В ± 5% | =5 В, =5...30 В, =8...30 В |
| Условия эксплуатации | 20...50°С≤ 85%RH |
| Присоединение | Съемный кабельный вывод |
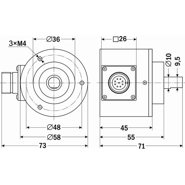
| Диаметр корпуса | 58 мм |
| Диаметр вала | 10 мм |
| Габаритные размеры | 58×73×71 мм |
| Габаритные размеры |
 |
"