"
Готовое комплексное решение для генерации вакуума, индикации и регулирования его давления
Особенности:
- Три исполнения сопла Лаваля с различными номинальными диаметрами: 0,7, 1,0 и 1,2 мм
- Визуализация и автоматический контроль уровня вакуума с помощью встроенного цифрового реле давления
- Встроенный фильтр на порт вакуума для защиты эжектора от попадания пыли
- Быстрый сброс вакуума продувкой системы с удобной регулировкой интенсивности потока воздуха (только в модификациях R, W)
- Функция удержания вакуума (только в модификации W)
- Быстрое переключение между режимами работы (генерация вакуума/удержание/сброс) благодаря встроенным клапанам (только в модификациях R, W)
- Две модификации с различным расположением портов: порт вакуума напротив портов подачи и выхлопа (модификация A) или все три на одной стороне (модификация B)
- Компактная и прочная конструкция, корпус из пластика
- Монтаж на поверхность через крепежные отверстия
- Быстрое и надежное подключение благодаря цанговым соединениям
- Для работы не требуется смазка
Принцип работы:
Сжатый воздух от компрессора подается на входной порт (8) и через управляющий соленоидный клапан (4) попадает в эжектор (1). В корпусе эжектора поток воздуха проходит по техническому каналу через сопло Лаваля и создает всасывающий эффект на порте вакуума (9). Далее он вместе с потоком всасываемого воздуха выводится из системы через порт выхлопа (10).Цифровое реле давления (3) осуществляет контроль уровня вакуума с помощью системы клапанов (4), (5) или (6), в зависимости от модификации.Воздушный фильтр (2) служит для фильтрации воздуха, поступающего через порт вакуума, для защиты вакуумного эжектора от попадания пыли.
Режим генерации вакуумаВ режиме генерации на клапан (4) поступает электрический сигнал от реле давления, клапан открывается и остается в открытом положении до достижения требуемого уровня вакуума.
Режим удержания вакуума (для модификации W)Когда необходимый уровень вакуума достигнут, реле давления (3) подает сигнал на закрытие управляющего клапана (4). Эжектор (1) перестает потреблять сжатый воздух от компрессора. Происходит поддержание заданного значения вакуума.
Режим сброса вакуума (для модификаций R, W) - С помощью соленоидного клапана сброса (для модификации W)
Для запуска продувания системы реле давления (3) подает сигнал на открытие соленоидного клапана сброса (5). Сжатый воздух проходит через клапан сброса (5) и выходит через порт вакуума (9), тем самым разрушая вакуум.
- С помощью клапана выдержки времени (для модификации R)
В режиме генерации происходит накопление воздуха в полости камеры клапана выдержки времени (6). При закрытии управляющего клапана (4) запускается продувание системы в течение заданного времени выдержки (0,3...3 секунды), разрушающее вакуум.Время выдержки задается изменением объема заполняемой полости с помощью регулятора на торце клапана.Для настройки скорости потока воздуха при продувании системы используется регулятор (7).Прибор устанавливается на поверхность через крепежные отверстия ∅ 3,2 мм (11).
Подготовка сжатого воздуха:
Сжатый воздух, поступающий на порт питания должен быть подготовлен в соответствии со стандартом ISO8573-1:2010. Необходимо использовать фильтры-влагоотделители для удаления из сжатого воздуха загрязняющих его частиц, капельной влаги и конденсата.Также следует обеспечить требуемый уровень давления поступающего в систему сжатого воздуха, не допускать его колебания. Для этой цели используются регуляторы давления. Они обеспечивают поддержание заданного уровня выходного давления при колебаниях входного давления и расхода сжатого воздуха.Обе эти функции могут быть реализованы в одном приборе фильтре-регуляторе, например, фильтр-влагоотделитель с регулятором давления ФР-Х000.
| Модификации прибора. Обозначение для заказа |
 |
Технические характеристики:
| Параметр | Значение |
| Номинальный диаметр сопла Лаваля | 0,7 мм | 1,0 мм | 1,2 мм |
| Максимальный вакуумный расход | 13 л/мин | 27 л/мин | 38л/мин |
| Потребление сжатого воздуха (при давлении подачи 0,5 МПа) | 23 л/мин | 46 л/мин | 70 л/мин |
| Максимальный уровень вакуума | −93 кПа |
| Рабочая среда | Сжатый воздух без содержания масла |
| Диапазон рабочего давления | 0,25...0,7 МПа |
| Номинальное давление | 0,5 МПа |
| Утечка в режиме удержания вакуума | ≤ 1,3 кПа/10 мин |
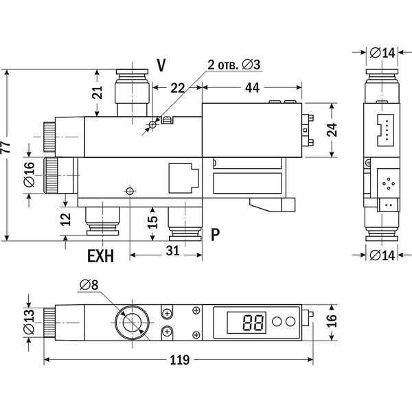
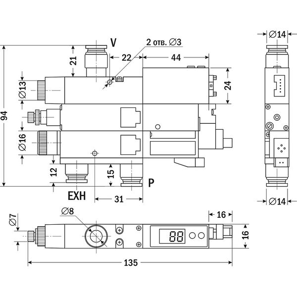
| Присоединение:- вход сжатого воздуха- выход вакуума- выхлоп | Цанговое, ∅ 8 мм |
| Монтаж | На поверхность, крепежными винтами M3 |
| Рабочая температура | +5...+50°С |
| Питание (реле давления и соленоидный клапан) | =24 В |
| Смазка | Не требуется |
| Вес- L- R- W | 123 г176 г168 г |
| Габаритные размеры |
 |
| AW |
 |
| BW |
 |
| AL |
 |
| AR |
 |
| BR |
"