"Выключатель конечный CWLCA12-2-Q со срабатыванием на отклонение в сторону, с роликом и регулируемым штоком
Технические характеристики:
| Параметр | Значение |
| Быстродействие | 1...2000 мм/с |
| Реле | ~5 А, 250 В |
| Контакт | НО+НЗ |
| Рабочая частота | Механическая 120 опер./минЭлектрическая 30 опер./мин |
| Износостойкость | Механическая 15 млн срабатыванийЭлектрическая 0,5 млн срабатываний |
| Условия эксплуатации | −10...80°C≤ 95%RH |
| Степень защиты | IP66 |
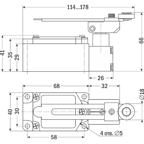
| Габаритные размеры | 66×114...178×40 мм |
| Регулируемая длина штока | 20...84 мм |
| Вес | 287 г |
"
| Габаритные размеры |
 |
"