- — 26 лет на рынке
- — Более 54 600 сделок
- — Более чем 573 000 единиц оборудования
- — Лучшие цены
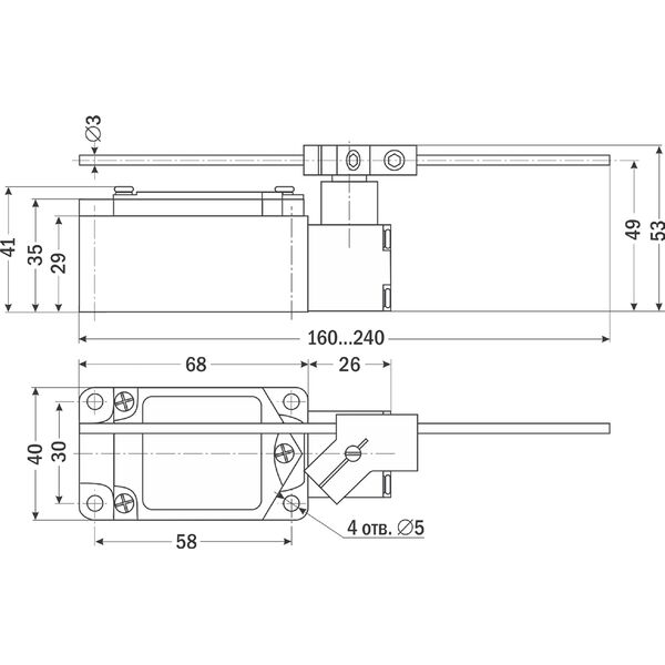
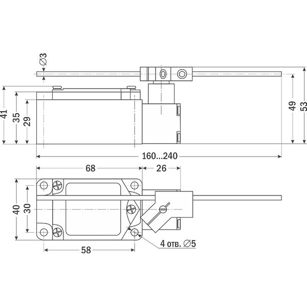
Технические характеристики:
| Параметр | Значение |
| Быстродействие | 1...2000 мм/с |
| Реле | ~5 А, 250 В |
| Контакт | НО+НЗ |
| Рабочая частота | Механическая 120 опер./минЭлектрическая 30 опер./мин |
| Износостойкость | Механическая 15 млн разЭлектрическая 0,5 млн раз |
| Условия эксплуатации | −10...80°C≤ 95%RH |
| Степень защиты | IP66 |
| Габаритные размеры | 53×160...240×40 мм |
| Регулируемая длина штока | 25...140 мм |
| Вес | 264 г |
| Габаритные размеры |
![]() |
