"
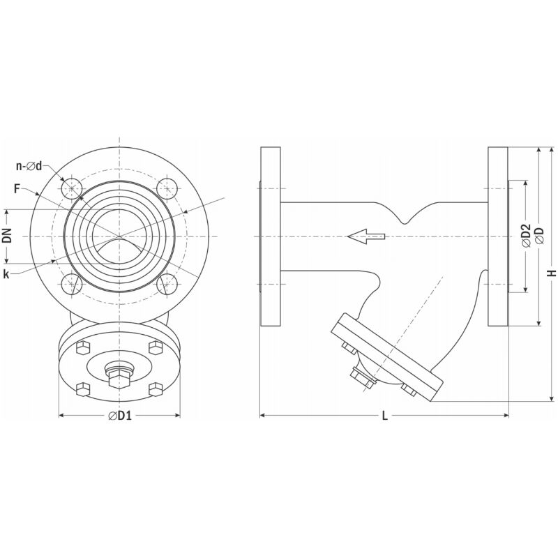
Фланцевые фильтры ФС-УФ устанавливаются на входных отверстиях трубопроводов и задерживают находящиеся в рабочей среде твердые частицы, размер которых превышает размер ячеек фильтрующей сетки. Фильтры предназначены для механической очистки воды от грязи, примесей, окалины, продуктов коррозии, шлама, стружки. Применяются в системах отопления, водоснабжения, кондиционирования, пожаротушения.Фильтры ФС-УФ относятся к угловым моделям, именуемым также косыми или Y-образными. Такое название они получили благодаря ответвлению фильтрующей части, расположенной под углом к основному корпусу. Внутри «ветки» находится сетчатый элемент, который задерживает частички грязи. При этом собранный шлам (плавающий в воде сор) остается в фильтре и скапливается на дне ответвленной части.
Особенности: - Сетчатый фильтр первичной механической очистки
- Длительный срок эксплуатации фильтра-сетки
- Простая установка
- Присоединительные фланцы стандарта DIN
Технические характеристики:
| Параметр | Значение |
| Тип | Y-образный |
| Рабочая среда | Пар, вода, горячая вода, нейтральные газы, масла |
| Материал | Корпуса и крышки | Чугун |
| Уплотнения крышки | Паронит |
| Фильтрующей сетки | Нержавеющая сталь |
| Температура рабочей среды | −15…200°С |
| Рабочее давление | 0...1,6 МПа (кратковременно до 2,4 МПа) |
| Диаметр условного прохода | 40...250 мм |
| Размер ячейки фильтрующей сетки в свету | ∅ 3 мм |
| Присоединение | Фланцевое F1½"...F10" |
Таблица совместимости ФС-УФ с фланцевыми кранами/клапанами:| Модель фильтра | Модели кранов/клапанов, которые можно напрямую присоединить к фильтру |
| ФС-УФ-040 | КПР-2Ф/3Ф/4Ф-40, УПК22Ф-1-8040-S, AR-2W21F/2W12F/YCP31F/YCP32F/YCPS31F/YCPG11F-40 |
| ФС-УФ-050 | КПР-2Ф/3Ф/4Ф/Т3Ф-050, УПК22Ф-1-10050-S, AR-2W21F/2W12F/YCP31F/YCP32F/YCPS31F/YCPG11F-50 |
| ФС-УФ-065 | КПР-2Ф/3Ф/4Ф/Т3Ф-065, УПК22Ф-1-10065-S, AR-YCP31F/YCDF1/YCDF2/YCD21F/YCD22F-65 |
| ФС-УФ-080 | КПР-2Ф/3Ф/4Ф/Т3Ф-080, УПК22Ф-1-12580-S, AR-YCP31F/YCDF2-80 |
| ФС-УФ-100 | КПР-2Ф/3Ф/4Ф/Т3Ф-100, УПК22Ф-1-125100-S, AR-YCP31F/YCDF1/YCDF2/YCD21F/YCD22F-100 |
| ФС-УФ-125 | AR-YCP31F/YCDF2/YCD21F-125 |
| ФС-УФ-150 | AR-YCP31F/YCDF2/YCD21F-150 |
| ФС-УФ-200 | – |
| ФС-УФ-250 | – |
"
| Габаритные размеры |
 |
| Модель | DN | Kv,м³/ч | Размеры, мм | Вес, кг |
| ∅ D | ∅ D 1 | ∅ D 2 | F | H | k | L | n-∅ d |
| ФС-УФ-040 | 40 | 33 | 150 | 102 | 88 | F1½" | 180 | 110 | 200 | 4-∅ 18 | 6 |
| ФС-УФ-050 | 50 | 54 | 165 | 112 | 102 | F2" | 230 | 125 | 230 | 4-∅ 18 | 9,4 |
| ФС-УФ-065 | 65 | 95 | 185 | 120 | 122 | F2½" | 252 | 145 | 290 | 4-∅ 18 | 12,3 |
| ФС-УФ-080 | 80 | 140 | 200 | 140 | 138 | F3" | 280 | 160 | 310 | 8-∅ 18 | 15,6 |
| ФС-УФ-100 | 100 | 201 | 220 | 160 | 158 | F4" | 310 | 180 | 350 | 8-∅ 18 | 22 |
| ФС-УФ-125 | 125 | 340 | 250 | 190 | 188 | F5" | 360 | 210 | 400 | 8-∅ 18 | 32 |
| ФС-УФ-150 | 150 | 526 | 285 | 210 | 212 | F6" | 455 | 240 | 480 | 8-∅ 22 | 51 |
| ФС-УФ-200 | 200 | 870 | 340 | 340 | 268 | F8" | 560 | 295 | 600 | 12-∅ 22 | 86 |
| ФС-УФ-250 | 250 | 1260 | 405 | 405 | 320 | F10" | 632,5 | 355 | 730 | 12-∅ 26 | 148 |
"