"
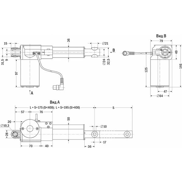
Линейный актуатор HTB600 представляет собой устройство, преобразующее вращательное движение низковольтного электродвигателя постоянного тока в линейное перемещение – втягивающее и выталкивающее движение.
Линейные актуаторы HTB600 широко применяют в промышленном и медицинском оборудовании, оборудовании для фермерских хозяйств, машиностроении и судостроении, системах вентиляции, офисной и домашней мебели и т. д.
Особенности:
- Корпус из высокопрочного металлического цинкового сплава
- Встроенные выключатели для отключения питания при достижении конечного положения
Технические характеристики:
| Параметр | Значение |
| Максимальная нагрузка | 1200...6000 Н |
| Длина хода штока (S) | 100...400 мм |
| Максимальная скорость (при полной нагрузке) | 3...35 мм/с |
| Максимальная скорость (без нагрузки) | 4...38 мм/с |
| Минимальный размер для установки | Длина хода штока (S) + 175 мм (S=100...300 мм)Длина хода штока (S) + 190 мм (S=100...400 мм) |
| Режим работы | 2 мин ВКЛ, 18 мин ВЫКЛ |
| Рабочий цикл | 10% |
| Питание | =12 В или =24 В |
| Защита | IP54 |
| Сертификация | ISO9001-2008 |
| Уровень шума | ≤ 50 дБ |
| Температура эксплуатации | −25...65°C |
" "
Модификации:
| Модель | Номинальная нагрузка, Н | Нагрузка самоблокировки (при условии втягивания), Н | Номинальный ток нагрузки, А | Максимальная скорость (без нагрузки), мм/с | Максимальная скорость (при полной нагрузке), мм/с |
| Втягивание | Толкание |
| HTB600-XXX-6000 | 6000 | 3000 | 8000 | 2,8 | 4 | 3 |
| HTB600-XXX-4000 | 4000 | 3000 | 6000 | 2,6 | 8 | 7 |
| HTB600-XXX-3000 | 3000 | 3000 | 4000 | 1,8 | 12 | 10 |
| HTB600-XXX-2000 | 2000 | 2000 | 2400 | 1,5 | 20 | 18 |
| HTB600-XXX-1200 | 1200 | 1200 | 1000 | 1,5 | 38 | 35 |
XXX − длина хода штока
| Габаритные размеры |
 |
| Длина хода штока, мм | L, мм | S, мм |
| 100 | 275 | 100 |
| 200 | 375 | 200 |
| 300 | 475 | 300 |
| 400 | 590 | 400 |
"