"
Линейный актуатор HTW10A представляет собой устройство, преобразующее вращательное движение низковольтного электродвигателя постоянного тока в линейное перемещение – втягивающее и выталкивающее движение.
Линейные актуаторы HTW10A широко применяют в промышленном и медицинском оборудовании, оборудовании для фермерских хозяйств, машиностроении и судостроении, системах вентиляции, офисной и домашней мебели и т. д.
Особенности:
- Корпус из высокопрочного металлического цинкового сплава
- При подключении актуатора HTW10A необходимо учитывать, что у этой модели нет встроенных выключателей
Технические характеристики:
| Параметр | Значение |
| Максимальная нагрузка | 2000...7500 Н |
| Длина хода штока (S) | 100...400 мм |
| Максимальная скорость (при полной нагрузке) | 3,5...23 мм/с |
| Максимальная скорость (без нагрузки) | 3,4...29,6 мм/с |
| Минимальный размер для установки | Длина хода штока (S) + 240 мм (S=100...300 мм)Длина хода штока (S) + 250 мм (S=100...400 мм) |
| Режим работы | 2 мин ВКЛ, 18 мин ВЫКЛ |
| Рабочий цикл | 10% |
| Питание | =12 В или =24 В |
| Защита | IP65 |
| Сертификация | ISO9001-2008, CE, ROHS |
| Уровень шума | ≤ 60 дБ |
| Температура эксплуатации | −20...45°C |
Модификации:
| Модель | Номинальная нагрузка, Н | Нагрузка самоблокировки (при условии втягивания), Н | Номинальный ток нагрузки, А | Максимальная скорость (без нагрузки), мм/с | Максимальная скорость (при полной нагрузке), мм/с |
| Втягивание | Толкание |
| HTW10A-XXX-7500 | 7500 | 7500 | 12000 | 7,8 | 3,4 | 3,5 |
| HTW10A-XXX-6000 | 6000 | 6000 | 10000 | 7 | 7,9 | 5,7 |
| HTW10A-XXX-4500 | 4500 | 3800 | 5000 | 6,4 | 19,2 | 11,8 |
| HTW10A-XXX-2000 | 2000 | 2000 | 2000 | 5,2 | 29,6 | 23 |
XXX − длина хода штока
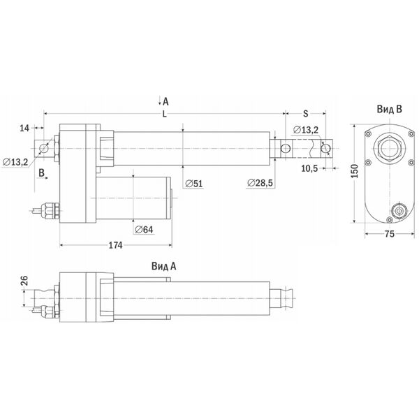
| Габаритные размеры |
 |
| Длина хода штока, мм | L, мм | S, мм |
| 100 | 340 | 100 |
| 200 | 440 | 200 |
| 300 | 540 | 300 |
| 400 | 650 | 400 |
"