"

Индуктивный бесконтактный выключатель серии LA - это датчик, имеющий корпус цилиндрической формы и реагирующий на появление металлического предмета в зоне его действия. Для датчиков серии LA зона действия (рабочая область) располагается со стороны торцевой части корпуса и в зависимости от модификации датчика составляет 2, 5, 10 или 18мм. При этом, для срабатывания датчика, непосредственного контакта с контролируемым предметом не требуется.Особенность индуктивных бесконтактных выключателей серии LA реагировать только на металлические предметы позволяет применять их для контроля конечных и промежуточных положений различных металлических частей механизмов. А высокие значения рабочей частоты переключения датчиков, позволяют успешно использовать их в качестве первичных датчиков скорости совместно с тахометрами и счетчиками импульсов.Наиболее целесообразно индуктивные выключатели серии LA применять взамен механических конечных выключателей, поскольку отсутствие подвижных частей в выключателях серии LA и их возможность реагировать на расстоянии позволяет значительно повысить ресурс работы механизмов и надежность оборудования в целом.
Общие технические характеристики цилиндрических индуктивных бесконтактных датчиков (выключателей) KIPPRIBOR серии LA
| Параметр | Значение параметра |
| М08 | М12 | М18 | М30 |
| DC | DC | AC | DC | AC | DC | AC |
| Напряжение питания | 10…30 VDC | 10…30 VDC;"10…60 VDC; | 20…250 VAC | 10…30 VDC;"10…60 VDC; | 20…250 VAC | 10…30 VDC;"10…60 VDC; | 20…250 VAC |
| Номинальный ток нагрузки | ≤ 200 мА | ≤ 200 мА | ≤ 400 мА | ≤ 200 мА | ≤ 400 мА | ≤ 200 мА | ≤ 400 мА |
| Минимальный ток нагрузки | - | - | ≥ 5 мА | - | ≥ 5 мА | - | ≥ 5 мА |
| Ток утечки | ≤ 0,01 мА | ≤ 0,01 мА | ≤ 1,8 мА | ≤ 0,01 мА | ≤ 1,8 мА | ≤ 0,01 мА | ≤ 1,8 мА |
| Падение напряжения | ≤ 2 В | ≤ 1,5 В | ≤ 8 В | ≤ 1,5 В | ≤ 8 В | ≤ 1,5 В | ≤ 8 В |
| Защита от перегрузки | да | да | нет | да | нет | да | нет |
| Точка срабатывания защиты | 220 мА | 220 мА | - | 220 мА | - | 220 мА | - |
| Защита от переполюсовки | да | да | - | да | - | да | - |
| Защита от короткого замыкания | нет |
| Гистерезис переключения | ≤ 15 % Sr(1) |
| Точность повторения | ≤ 1 % Sr(1) |
| Индикация срабатывания | Светодиод |
| Материал корпуса | Никелированная латунь |
| Материал активной части | Ударопрочный конструкционный пластик |
| Температура эксплуатации | -25…+70 °C |
| Температурная погрешность | ≤ 10 % Sr(1) |
| Степень защиты | IP 67 |
| Электрическое подключение | Кабельный вывод, длина 2 м |
(1) – Реальное расстояние срабатывания конкретного бесконтактного выключателя, измеренное при номинальном напряжении питания, определенных температуре и условиях монтажа.Диаметр корпуса 8 мм
| Габаритный чертеж | Напряжение питания | Схема подключения | Коммута-ционная функция | Номинальное расстояние срабатывания | Максимальная частота срабатывания | Модификация |
| Утапливаемое исполнение |
 | 10…30 VDC | NPN трехпроводная | NO | 1 мм | 500 Гц | LA08-45.1N1.U1.K |
| NC | LA08-45.1N2.U1.K |
| NPN четырехпроводная | NO+NC | LA08-45.1N4.U1.K |
| PNP трехпроводная | NO | LA08-45.1P1.U1.K |
| NC | LA08-45.1P2.U1.K |
| PNP четырехпроводная | NO+NC | LA08-45.1P4.U1.K |
| Неутапливаемое исполнение |
 | 10…30 VDC | NPN трехпроводная | NO | 2 мм | 300 Гц | LA08M-45.2N1.U1.K |
| NC | LA08M-45.2N2.U1.K |
| NPN четырехпроводная | NO+NC | LA08M-45.2N4.U1.K |
| PNP трехпроводная | NO | LA08M-45.2P1.U1.K |
| NC | LA08M-45.2P2.U1.K |
| PNP четырехпроводная | NO+NC | LA08M-45.2P4.U1.K |
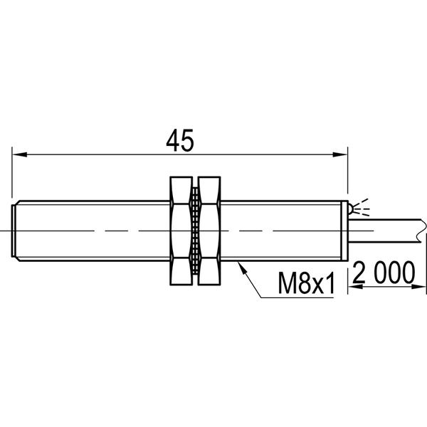
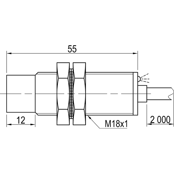
Диаметр корпуса 12 мм
| Габаритный чертеж | Напряжение питания | Схема подключения | Коммута-ционная функция | Номинальное расстояние срабатывания | Максимальная частота срабатывания | Модификация |
| Утапливаемое исполнение |
 | 10…30 VDC | NPN трехпроводная | NO | 2 мм | 2 кГц | LA12-50.2N1.U1.K |
| NC | LA12-50.2N2.U1.K |
| NPN четырехпроводная | NO+NC | LA12-50.2N4.U1.K |
| PNP трехпроводная | NO | LA12-50.2P1.U1.K |
| NC | LA12-50.2P2.U1.K |
| NPN четырехпроводная | NO+NC | LA12-50.2P4.U1.K |
| 10…60 VDC | двухпроводная | NO | LA12-50.2D1.U4.K |
| NC | LA12-50.2D2.U4.K |
 | 20…250 VAC | трехпроводная(2) | NO | 25 Гц | LA12-60.2A1.U7.K |
| NC | LA12-60.2A2.U7.K |
| Неутапливаемое исполнение |
 | 10…30 VDC | NPN трехпроводная | NO | 4 мм | 1 кГц | LA12M-50.4N1.U1.K |
| NC | LA12M-50.4N2.U1.K |
| NPN четырехпроводная | NO+NC | LA12M-50.4N4.U1.K |
| PNP трехпроводная | NO | LA12M-50.4P1.U1.K |
| NC | LA12M-50.4P2.U1.K |
| PNP четырехпроводная | NO+NC | LA12M-50.4P4.U1.K |
| 10…60 VDC | двухпроводная | NO | LA12M-50.4D1.U4.K |
| NC | LA12M-50.4D2.U4.K |
 | 20…250 VAC | трехпроводная(2) | NO | 25 Гц | LA12M-60.4A1.U7.K |
| NC | LA12M-60.4A2.U7.K |
(2) – третий провод используется для заземления корпуса.Диаметр корпуса 18 мм
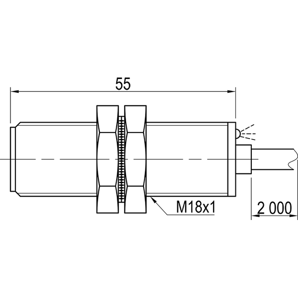
| Габаритный чертеж | Напряжение питания | Схема подключения | Коммута-ционная функция | Номинальное расстояние срабатывания | Максимальная частота срабатывания | Модификация |
| Утапливаемое исполнение |
 | 10…30 VDC | NPN трехпроводная | NO | 5 мм | 1 кГц | LA18-55.5N1.U1.K |
| NC | LA18-55.5N2.U1.K |
| NPN четырехпроводная | NO+NC | LA18-55.5N4.U1.K |
| PNP трехпроводная | NO | LA18-55.5P1.U1.K |
| NC | LA18-55.5P2.U1.K |
| PNP четырехпроводная | NO+NC | LA18-55.5P4.U1.K |
| 10…60 VDC | двухпроводная | NO | LA18-55.5D1.U4.K |
| NC | LA18-55.5D2.U4.K |
| 20…250 VAC | трехпроводная(2) | NO | 25 Гц | LA18-55.5A1.U7.K |
| NC | LA18-55.5A2.U7.K |
| Неутапливаемое исполнение |
 | 10…30 VDC | NPN трехпроводная | NO | 8 мм | 500 Гц | LA18M-55.8N1.U1.K |
| NC | LA18M-55.8N2.U1.K |
| NPN четырехпроводная | NO+NC | LA18M-55.8N4.U1.K |
| PNP трехпроводная | NO | LA18M-55.8P1.U1.K |
| NC | LA18M-55.8P2.U1.K |
| PNP четырехпроводная | NO+NC | LA18M-55.8P4.U1.K |
| 10…60 VDC | двухпроводная | NO | LA18M-55.8D1.U4.K |
| NC | LA18M-55.8D2.U4.K |
| 20…250 VAC | трехпроводная(2) | NO | 25 Гц | LA18M-55.8A1.U7.K |
| NC | LA18M-55.8A2.U7.K |
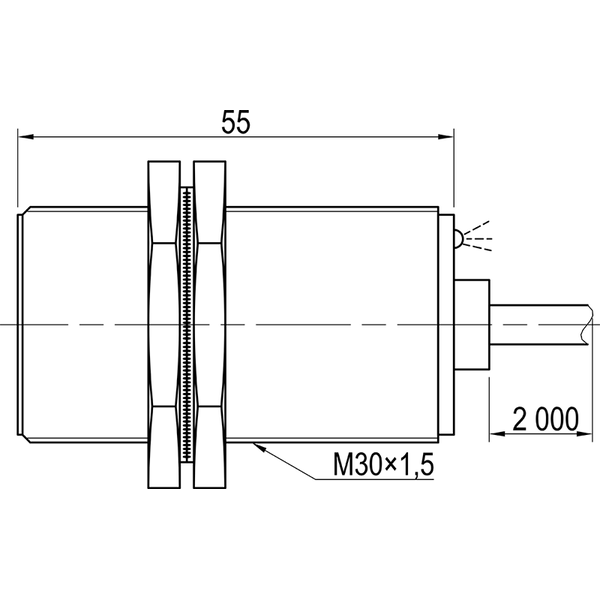
(2) – третий провод используется для заземления корпуса.Диаметр корпуса 30 мм
| Габаритный чертеж | Напряжение питания | Схема подключения | Коммута-ционная функция | Номинальное расстояние срабатывания | Максимальная частота срабатывания | Модификация |
| Утапливаемое исполнение |
 | 10…30 VDC | NPN трехпроводная | NO | 10 мм | 300 Гц | LA30-55.10N1.U1.K |
| NC | LA30-55.10N2.U1.K |
| NPN четырехпроводная | NO+NC | LA30-55.10N4.U1.K |
| PNP трехпроводная | NO | LA30-55.10P1.U1.K |
| NC | LA30-55.10P2.U1.K |
| PNP четырехпроводная | NO+NC | LA30-55.10P4.U1.K |
| 10…60 VDC | двухпроводная | NO | LA30-55.10D1.U4.K |
| NC | LA30-55.10D2.U4.K |
 | 20…250 VAC | трехпроводная(2) | NO | 25 Гц | LA30-80.10A1.U7.K |
| NC | LA30-80.10A2.U7.K |
| Неутапливаемое исполнение (модификация М) |
 | 10…30 VDC | NPN трехпроводная | NO | 15 мм | 150 Гц | LA30M-55.15N1.U1.K |
| NC | LA30M-55.15N2.U1.K |
| NPN четырехпроводная | NO+NC | LA30M-55.15N4.U1.K |
| PNP трехпроводная | NO | LA30M-55.15P1.U1.K |
| NC | LA30M-55.15P2.U1.K |
| NPN четырехпроводная | NO+NC | LA30M-55.15P4.U1.K |
| 10…60 VDC | двухпроводная | NO | LA30M-55.15D1.U4.K |
| NC | LA30M-55.15D2.U4.K |
 | 20…250 VAC | трехпроводная(2) | NO | 25 Гц | LA30M-80.15A1.U7.K |
| NC | LA30M-80.15A2.U7.K |
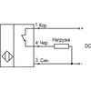
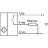
(2) – третий провод используется для заземления корпуса.Схемы подключения индуктивных бесконтактных датчиков (выключателей) KIPPRIBOR серии LA
| Датчики постоянного тока |
| Трехпроводные, NPN, NO (LA••-•.•N1.U1.K) | Трехпроводные, PNP, NO (LA••-•.•P1.U1.K) |
 |  |
| Трехпроводные, NPN, NC (LA••-•.•N2.U1.K) | Трехпроводные, PNP, NC (LA••-•.•P2.U1.K) |
 |  |
| Четырехпроводные, NPN, NO+NC (LA••-•.•N4.U1.K) | Четырехпроводные, PNP, NO+NC (LA••-•.•P4.U1.K) |
 |  |
| Двухпроводные, NO (LA••-•.•D1.U4.K) | Двухпроводные, NC (LA••-•.•D2.U4.K) |
 |  |
| Датчики переменного тока |
| Трехпроводные, NO (LA••-•.•A1.U7.K) | Трехпроводные, NC (LA••-•.•A2.U7.K) |
 |  |
Комплектность поставки
В комплект входит датчик с кабелем присоединения (длина 2 м)Варианты упаковки: пакет (1 шт.)Масса одного датчика:LA08 (с диаметром корпуса 8 мм) – не более 40 гLA12 (с диаметром корпуса 12 мм) – не более 77 гLA18 (с диаметром корпуса 18 мм) – не более 161 гLA30 (с диаметром корпуса 30 мм) – не более 247 г"