- — 26 лет на рынке
- — Более 54 600 сделок
- — Более чем 573 000 единиц оборудования
- — Лучшие цены
Функциональные преимущества
- Прочность и герметичность конструкции, обеспечивают степень защиты IP65.
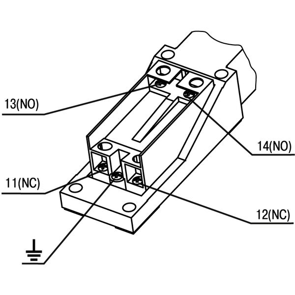
- Коммутация 2-х цепей (двухполюсный контакт NO + NC).
- Широкий модельный ряд выключателей, с различными исполнительными механизмами, позволяет выбрать решение под любую задачу.
- Удобство подключения проводов.
- Высокий коммутационный ресурс (контактная группа выполнена из сплава никеля и серебра).
- Материал уплотнений (корпус, исполнительный механизм, кабельный ввод) выдерживает температурные колебания в указанном температурном диапазоне, не деформируется в жару и не трескается на холоде.
- Наличие клеммы заземления.
- Метизы выполнены из оцинкованной инструментальной стали.
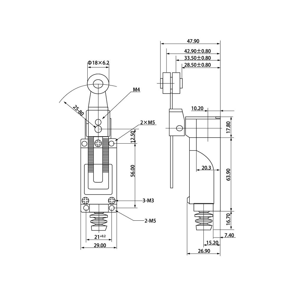
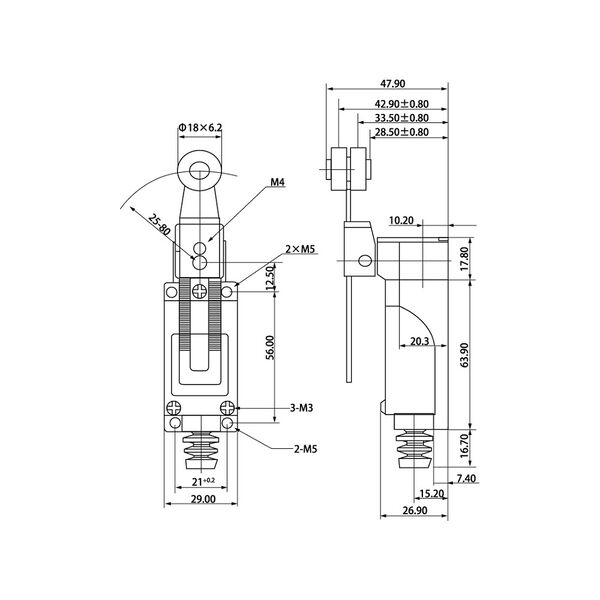
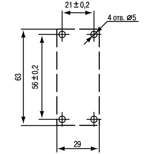
Технические характеристики
| Скорость срабатывания | 0,25 – 1,3 м/сек |
| Частота срабатывания | механическая: 120 переключений/минэлектрическая: 30 переключений/мин |
| Контактная группа | 1НО + 1НЗ контакты |
| Ток термической стойкости, Ith | 10А |
| Сопротивление контактов | 15кОм |
| Сопротивление изоляции | 100 мОм (500 В AC) |
| Напряжение изоляции | 2 кВ в течении минуты |
| Диэлектрическая прочность | 1000В AC в течение минуты (между контактами) |
| Износоустойчивость | механическая: >10^7 цикловэлектрическая: >10^5 циклов (AC-15 ) |
| Вибростойкость | 10...55 Гц; двойная амплитуда 1.5 мм |
| Ударопрочность | 30 g (продолжительность = 18 мс) |
| Корпус | Металл (сплав алюминия) с пластиковой (PC, PBT) крышкой |
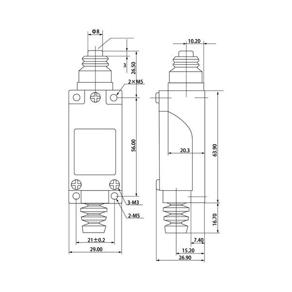
| Кабельный ввод | Диаметр кабеля 6 - 9 мм |
| Подключение контактов | Винтовые клеммы , сечение до 2 мм2 |
| Рабочая температура | -35…+70°C |
| Влажность | |
| Масса | 120…190г |
| Степень защиты | IP65 |
Электрические характеристики
Un | Неиндуктивная нагрузка | Индуктивная нагрузка | ||||||
R (резистор) | RC (сигнальная лампа) | L (катушка) | RL (ЭД) | |||||
НЗ | НО | НЗ | НО | НЗ | НО | НЗ | НО | |
250 V AC | 6А | 1,5А | 0,7А | 3А | 2А | 1А | ||
500 V AC | 6А | 1А | 0,5А | 3А | 1,5А | 0,8А | ||
15 V DC | 6А | 3А | 4А | 3А | ||||
30 V DC | 6А | 3А | 4А | 3А | ||||
125 V DC | 0,4А | - | - | - | ||||
250 V DC | 0,2А | - | - | - | ||||
Для категорий применения AC-15, DC-13
Рабочие характеристики
Модель | MTB4-LZ8104, MTB4-LZ8107, MTB4-LZ8108 | MTB4-LZ8111, MTB4-LZ8112,MTB4-LZ8122 | MTB4-LZ8166, MTB4-LZ8167, MTB4-LZ8169 |
| Усилие срабатывания | 6N | 9N | 0,9N |
| Мин.усилие отпускания | 0,5N | 1,5N | 0,04N |
| Скорость срабатывания м/с | 1,3 | 0,25 | 1,3 |























