"Кран шаровой с электроприводом КПР-2 предназначен для управления потоком рабочей среды в трубопроводе
Особенности: - Угол полного поворота: 90°
- Долгий срок службы
Технические характеристики:
| Параметр | Значение |
| Рабочая среда | Пар, вода, горячая вода, воздух, инертные газы, природный газ, масла, азотная кислота, уксус |
| Материал | Корпуса: нержавеющая стальУплотнения: PTFE |
| Температура рабочей среды | −20...150° |
| Рабочее давление | 0,0...1,6 МПа |
| Диаметр условного прохода | 15...80 мм |
| Присоединение крана | Резьбовое G½"...G3" |
| Стандарт присоединения крана к приводу | ISO5211 |
| Модель электропривода | ЭПР3 |
Модификации:| Модель | Ду, мм | Kv, м³/ч | Присоединение | Посадочный размер, мм | Вес, кг |
| КПР-2-015 GSP | 15 | 20 | ½" | 9×9 | 0,3 |
| КПР-2-020 GSP | 20 | 38 | ¾" | 9×9 | 0,39 |
| КПР-2-025 GSP | 25 | 69 | 1" | 11×11 | 0,72 |
| КПР-2-032 GSP | 32 | 93 | 1¼" | 11×11 | 1,03 |
| КПР-2-040 GSP | 40 | 144 | 1½" | 14×14 | 1,87 |
| КПР-2-050 GSP | 50 | 229 | 2" | 14×14 | 1,77 |
| КПР-2-065 GSP | 65 | 404 | 2½" | 17×17 | 4,01 |
| КПР-2-080 GSP | 80 | 573 | 3" | 17×17 | 5,35 |
Таблица выбора привода для крана КПР-2:| Модель крана | Посадочный размер, мм | Электропривод ЭПР3 |
| КПР-2-015 | 9×9 | ЭПР3-003 |
| КПР-2-020 | 9×9 | ЭПР3-003 |
| КПР-2-025 | 11×11 | ЭПР3-003 |
| КПР-2-032 | 11×11 | ЭПР3-003 |
| КПР-2-040 | 14×14 | ЭПР3-008 |
| КПР-2-050 | 14×14 | ЭПР3-008 |
| КПР-2-065 | 17×17 | ЭПР3-015 |
| КПР-2-080 | 17×17 | ЭПР3-015 |
Рекомендуется устанавливать на кран либо соответствующий ему тип привода ЭПР3 из таблицы, либо следующий за ним.Если посадочный размер привода больше посадочного размера крана, то нужно использовать переходник типа «звезда-квадрат» ПП84, при необходимости в комбинации с переходником «квадрат-квадрат» ПП44. "
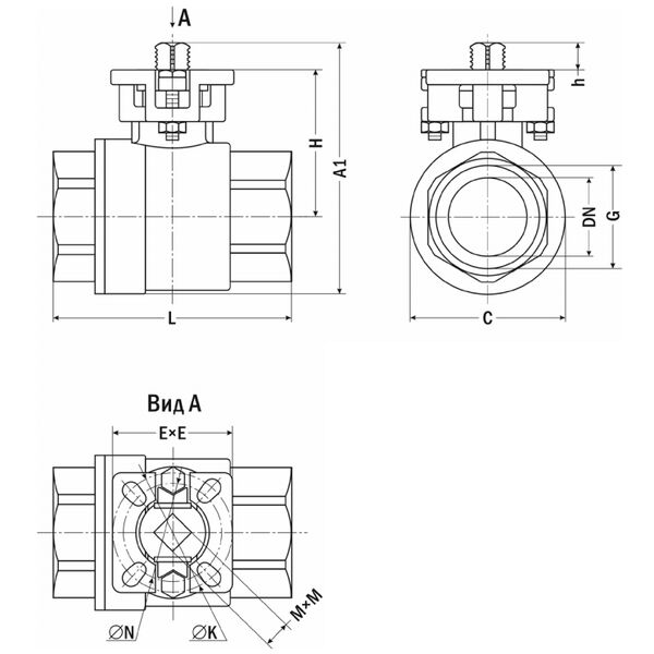
| Габаритные размеры |
 |
"
| Модель | Размеры, мм |
| G | DN | A1 | C | E×E | H | h | L | M×M | ∅ N | ∅ K |
| КПР-2-015 | ½" | 15 | 66 | 36 | 44,5×44,5 | 35 | 13 | 63 | 9×9 | 36 (F03) | 42 (F04) |
| КПР-2-020 | ¾" | 20 | 77 | 40,5 | 44,5×44,5 | 45 | 12 | 70 | 9×9 | 36 (F03) | 42 (F04) |
| КПР-2-025 | 1" | 25 | 87 | 69,5 | 51×51 | 53 | 14 | 79,5 | 11×11 | 42 (F04) | 50 (F05) |
| КПР-2-032 | 1¼" | 32 | 106 | 70 | 51×51 | 61 | 11,5 | 96 | 11×11 | 42 (F04) | 50 (F05) |
| КПР-2-040 | 1½" | 40 | 123 | 72 | 70×70 | 68 | 16 | 110 | 14×14 | 50 (F05) | 70 (F07) |
| КПР-2-050 | 2" | 50 | 140 | 87,5 | 68,5×68,5 | 78 | 17 | 120 | 14×14 | 50 (F05) | 70 (F07) |
| КПР-2-065 | 2½" | 65 | 176 | 116 | 96×96 | 98 | 21 | 145 | 17×17 | 70 (F07) | 102 (F10) |
| КПР-2-080 | 3" | 80 | 193 | 134 | 95×95 | 105 | 20,5 | 167 | 17×17 | 70 (F07) | 102 (F10) |
"