"Кран шаровой фланцевый с электроприводом КПР-2Ф предназначен для управления потоком рабочей среды в трубопроводе
Особенности: - Угол полного поворота: 90°
- Долгий срок службы
Технические характеристики:
| Параметр | Значение |
| Рабочая среда | Пар, вода, горячая вода, воздух, инертные газы, природный газ, масла, азотная кислота, уксус |
| Материал | Корпуса: нержавеющая стальУплотнения: PTFE |
| Температура рабочей среды | −20...150° |
| Рабочее давление | 0,0...1,6 МПа |
| Диаметр условного прохода | 20...80 мм |
| Присоединение крана | Фланцевое F¾"...F3" |
| Стандарт присоединения крана к приводу | ISO5211 |
| Модель электропривода | ЭПР3 |
Модификации:| Модель | Ду, мм | Kv, м³/ч | Присоединение | Посадочный размер, мм | Вес, кг |
| КПР-2Ф-020 FSP | 20 | 38 | F¾" | 9×9 | 3 |
| КПР-2Ф-025 FSP | 25 | 69 | F1" | 11×11 | 3,6 |
| КПР-2Ф-032 FSP | 32 | 93 | F1¼" | 11×11 | 3,5 |
| КПР-2Ф-040 FSP | 40 | 144 | F1½" | 14×14 | 6,2 |
| КПР-2Ф-050 FSP | 50 | 229 | F2" | 14×14 | 8 |
| КПР-2Ф-065 FSP | 65 | 404 | F2½" | 17×17 | 11,1 |
| КПР-2Ф-080 FSP | 80 | 573 | F3" | 17×17 | 13,7 |
Таблица выбора привода для крана КПР-2Ф:| Модель крана | Посадочный размер, мм | Электропривод ЭПР3 |
| КПР-2Ф-020 | 9×9 | ЭПР3-003 |
| КПР-2Ф-025 | 11×11 | ЭПР3-003 |
| КПР-2Ф-032 | 11×11 | ЭПР3-003 |
| КПР-2Ф-040 | 14×14 | ЭПР3-008 |
| КПР-2Ф-050 | 14×14 | ЭПР3-008 |
| КПР-2Ф-065 | 17×17 | ЭПР3-015 |
| КПР-2Ф-080 | 17×17 | ЭПР3-015 |
Рекомендуется устанавливать на кран либо соответствующий ему тип привода ЭПР3 из таблицы, либо следующий за ним.Если посадочный размер привода больше посадочного размера крана, то нужно использовать переходник типа «звезда-квадрат» ПП84, при необходимости в комбинации с переходником «квадрат-квадрат» ПП44. "
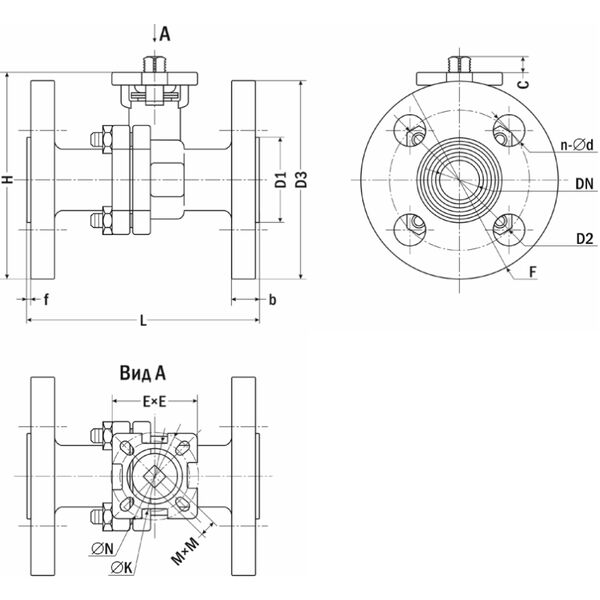
| Габаритные размеры |
 |
"
| Модель | Размеры, мм |
| F | DN | b | C | D1 | D2 | D3 | E×E | f | H | L | M×M | K | N | n-∅ d |
| КПР-2Ф-020 | F¾" | 20 | 18 | 14 | 57 | 75 | 104 | 44×44 | 2 | 106 | 120 | 9×9 | 36 (F03) | 42 (F04) | 4-14 |
| КПР-2Ф-025 | F1" | 25 | 18 | 11 | 67,5 | 85 | 114 | 50×50 | 2 | 117 | 124 | 11×11 | 42 (F04) | 50 (F05) | 4-14 |
| КПР-2Ф-032 | F1¼" | 32 | 16 | 12 | 64 | 90 | 115 | 50×50 | 2 | 120 | 140 | 11×11 | 42 (F04) | 50 (F05) | 4-16 |
| КПР-2Ф-040 | F1½" | 40 | 17,5 | 18 | 88 | 110 | 150 | 68×68 | 2 | 154 | 138 | 14×14 | 50 (F05) | 70 (F07) | 4-18 |
| КПР-2Ф-050 | F2" | 50 | 20 | 14 | 101 | 125 | 163 | 69×69 | 3 | 166 | 150 | 14×14 | 50 (F05) | 70 (F07) | 4-18 |
| КПР-2Ф-065 | F2½" | 65 | 18,5 | 18 | 122 | 145 | 185 | 95×95 | 3 | 193 | 170 | 17×17 | 70 (F07) | 102 (F10) | 4-18 |
| КПР-2Ф-080 | F3" | 80 | 21 | 21 | 137 | 160 | 198 | 96×96 | 3,5 | 213 | 182 | 17×17 | 70 (F07) | 102 (F10) | 8-18 |
"