"Кран шаровой фланцевый КПР-3Ф с электроприводом ЭПР1 предназначен для управления потоком рабочей среды в трубопроводе
Особенности: - Угол полного поворота: 90°
- Долгий срок службы
Технические характеристики:
| Параметр | Значение |
| Рабочая среда | Пар, вода, горячая вода, воздух, инертные газы, природный газ, масла, азотная кислота, уксус |
| Материал | Корпуса: нержавеющая стальУплотнения: PTFE |
| Температура рабочей среды | −20...150° |
| Рабочее давление | 0,0...1,6 МПа |
| Диаметр условного прохода | 15...100 мм |
| Присоединение крана | Фланцевое F½"...F4" |
| Стандарт присоединения крана к приводу | ISO5211 |
| Модель электропривода | ЭПР1 |
Модификации:| Модель | Ду, мм | Kv, м³/ч | Присоединение | Посадочный размер, мм | Вес, кг |
| КПР-3Ф-015 FSP | 15 | 20 | F½" | 9×9 | 1,6 |
| КПР-3Ф-020 FSP | 20 | 38 | F¾" | 9×9 | 2,3 |
| КПР-3Ф-025 FSP | 25 | 69 | F1" | 11×11 | 2,9 |
| КПР-3Ф-032 FSP | 32 | 93 | F1¼" | 11×11 | 4,4 |
| КПР-3Ф-040 FSP | 40 | 144 | F1½" | 14×14 | 5,6 |
| КПР-3Ф-050 FSP | 50 | 229 | F2" | 14×14 | 8 |
| КПР-3Ф-065 FSP | 65 | 404 | F2½" | 17×17 | 11,1 |
| КПР-3Ф-080 FSP | 80 | 573 | F3" | 17×17 | 18 |
| КПР-3Ф-100 FSP | 100 | 936 | F4" | 19×19 | 22 |
Таблица выбора привода для крана КПР-3Ф:| Модель крана | Посадочный размер, мм | Крутящий момент, Н·м | Модель привода |
| Ручной ПРК | Пневмоприводы | Электроприводы |
| ППР1 | ППР2 | ЭПР1 | ЭПР4 |
| КПР-3Ф-015 | 9×9 | 5 | -020-09/129 | -032 | -032 | – | – |
| КПР-3Ф-020 | 9×9 | 6 | -020-09/129 | -032 | -032 | -003 | – |
| КПР-3Ф-025 | 11×11 | 10 | -032-11/147 | -040 | -040 | -003 | -010 |
| КПР-3Ф-032 | 11×11 | 12 | -032-11/147 | -040 | -040 | -003 | -010 |
| КПР-3Ф-040 | 14×14 | 15 | -050-14/183 | -063 | -063 | -008 | -010 |
| КПР-3Ф-050 | 14×14 | 22 | -050-14/183 | -063 | -063 | -008 | -010 |
| КПР-3Ф-065 | 17×17 | 30 | -080-17/241 | -083 | -083 | -015 | -020 |
| КПР-3Ф-080 | 17×17 | 45 | -080-17/241 | -083 | -083 | -015 | -020 |
| КПР-3Ф-100 | 19×19 | 75 | – | -105 | -105 | -060 | -020 |
Рекомендуется устанавливать на кран либо соответствующий ему тип привода ППР или ЭПР из таблицы, либо следующий за ним. Для ППР также возможна установка приводов на один или два типоразмера больше номинального с применением переходников ПП44 и ПП84.Например, на кран КПР-3Ф-015 можно поставить ППР1-032, а при необходимости (высокое давление среды, срочная замена и т. д.) возможно установить и ППР1-040, -052.Если посадочный размер привода больше посадочного размера крана, то нужно использовать переходник типа «звезда-квадрат» ПП84, при необходимости в комбинации с переходником «квадрат-квадрат» ПП44.
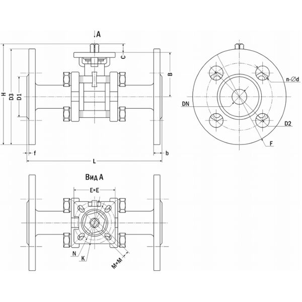
| Габаритные размеры |
 |
"
| Модель | Размеры, мм |
| F | DN | B | b | C | D1 | D2 | D3 | E×E | f | H | L | M×M | n-∅ d | N | K |
| КПР-3Ф-015 | F½" | 15 | 40 | 11 | 11,5 | 42 | 65 | 93 | 43×43 | 1,5 | 98 | 129 | 9×9 | 4-∅ 14 | 36(F03) | 42(F04) |
| КПР-3Ф-020 | F¾" | 20 | 54 | 13 | 11 | 52 | 75 | 103 | 49×49 | 2 | 120 | 148 | 9×9 | 4-∅ 14 | 42(F04) | 50(F05) |
| КПР-3Ф-025 | F1" | 25 | 57 | 12 | 11 | 62 | 85 | 115 | 49×49 | 2 | 126 | 156 | 11×11 | 4-∅ 14 | 42(F04) | 50(F05) |
| КПР-3Ф-032 | F1¼" | 32 | 65 | 15,5 | 12 | 74 | 100 | 132 | 49×49 | 2,5 | 145 | 176 | 11×11 | 4-∅ 18 | 42(F04) | 50(F05) |
| КПР-3Ф-040 | F1½" | 40 | 80 | 14 | 14 | 82 | 110 | 145 | 66×66 | 2 | 167 | 193 | 14×14 | 4-∅ 18 | 50(F05) | 70(F07) |
| КПР-3Ф-050 | F2" | 50 | 80 | 17 | 16 | 98 | 125 | 160 | 69×69 | 4 | 175 | 230 | 14×14 | 4-∅ 18 | 50(F05) | 70(F07) |
| КПР-3Ф-065 | F2½" | 65 | 115 | 17 | 20 | 108 | 145 | 178 | 91×91 | 3 | 220 | 286 | 17×17 | 4-∅ 18 | 70(F07) | 102(F10) |
| КПР-3Ф-080 | F3" | 80 | 115 | 20 | 20 | 132 | 160 | 195 | 95×95 | 2,5 | 230 | 313 | 17×17 | 8-∅ 18 | 70(F07) | 102(F10) |
| КПР-3Ф-100 | F4" | 100 | 154 | 19 | 21 | 156 | 190 | 210 | 93×93 | 2,5 | 275 | 347 | 19×19 | 8-∅ 18 | 70(F07) | 102(F10) |
"