- — 26 лет на рынке
- — Более 54 600 сделок
- — Более чем 573 000 единиц оборудования
- — Лучшие цены
- Стандарт присоединения крана к приводу – ISO 5211
- Два исполнения привода
- Тонкость очистки воздуха: 30 мкм (5 мкм – при использовании позиционного электропневматического регулятора)
- Угол полного поворота: 90°
- Возможность установки на привод позиционного электропневматического регулятора ПЭР-1000Р
- Возможность установки на привод блока индикации положения БИП
- Бесшумная работа
- Долгий срок службы
Технические характеристики:
| Параметр | Значение |
| Рабочая среда | Пар, вода, горячая вода, воздух, инертные газы, природный газ, масла, азотная кислота, уксус (крана) |
| Рабочая среда управления приводом | Сухой воздух/воздух с примесью масла, инертные газы, не агрессивные к материалам привода (привода) |
| Материал | Корпуса: нержавеющая сталь (крана), алюминиевый сплав (привода)Уплотнения: PTFE (крана), NBR (привода) |
| Температура рабочей среды | −20...150°С (крана), −20...80°С (привода) |
| Рабочее давление | 0,0...1,6 МПа (крана), 0,3...0,8 МПа (привода) |
| Диаметр условного прохода | 15...100 мм |
| Присоединение крана | Фланцевое F½"...F4" |
| Присоединение воздуховодов | ¼" |
| Модель пневмопривода | ППР1, ППР2 |
| Модель | Ду, мм | Kv, м³/ч | Присоединение | Посадочный размер, мм | Вес, кг |
| КПР-3Ф-015 FSP | 15 | 20 | F½" | 9×9 | 1,6 |
| КПР-3Ф-020 FSP | 20 | 38 | F¾" | 9×9 | 2,3 |
| КПР-3Ф-025 FSP | 25 | 69 | F1" | 11×11 | 2,9 |
| КПР-3Ф-032 FSP | 32 | 93 | F1¼" | 11×11 | 4,4 |
| КПР-3Ф-040 FSP | 40 | 144 | F1½" | 14×14 | 5,6 |
| КПР-3Ф-050 FSP | 50 | 229 | F2" | 14×14 | 8 |
| КПР-3Ф-065 FSP | 65 | 404 | F2½" | 17×17 | 11,1 |
| КПР-3Ф-080 FSP | 80 | 573 | F3" | 17×17 | 18 |
| КПР-3Ф-100 FSP | 100 | 936 | F4" | 19×19 | 22 |
| Модель крана | Посадочный размер, мм | Крутящий момент, Н·м | Модель привода | ||||
| Ручной ПРК | Пневмоприводы | Электроприводы | |||||
| ППР1 | ППР2 | ЭПР1 | ЭПР4 | ||||
| КПР-3Ф-015 | 9×9 | 5 | -020-09/129 | -032 | -032 | – | – |
| КПР-3Ф-020 | 9×9 | 6 | -020-09/129 | -032 | -032 | -003 | – |
| КПР-3Ф-025 | 11×11 | 10 | -032-11/147 | -040 | -040 | -003 | -010 |
| КПР-3Ф-032 | 11×11 | 12 | -032-11/147 | -040 | -040 | -003 | -010 |
| КПР-3Ф-040 | 14×14 | 15 | -050-14/183 | -063 | -063 | -008 | -010 |
| КПР-3Ф-050 | 14×14 | 22 | -050-14/183 | -063 | -063 | -008 | -010 |
| КПР-3Ф-065 | 17×17 | 30 | -080-17/241 | -083 | -083 | -015 | -020 |
| КПР-3Ф-080 | 17×17 | 45 | -080-17/241 | -083 | -083 | -015 | -020 |
| КПР-3Ф-100 | 19×19 | 75 | – | -105 | -105 | -060 | -020 |
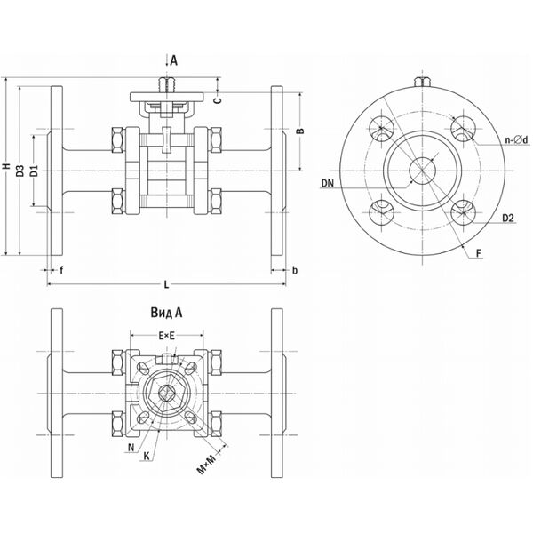
| Габаритные размеры |
![]() |
| Модель | Размеры, мм | |||||||||||||||
| F | DN | B | b | C | D1 | D2 | D3 | E×E | f | H | L | M×M | n-∅ d | N | K | |
| КПР-3Ф-015 | F½" | 15 | 40 | 11 | 11,5 | 42 | 65 | 93 | 43×43 | 1,5 | 98 | 129 | 9×9 | 4-∅ 14 | 36(F03) | 42(F04) |
| КПР-3Ф-020 | F¾" | 20 | 54 | 13 | 11 | 52 | 75 | 103 | 49×49 | 2 | 120 | 148 | 9×9 | 4-∅ 14 | 42(F04) | 50(F05) |
| КПР-3Ф-025 | F1" | 25 | 57 | 12 | 11 | 62 | 85 | 115 | 49×49 | 2 | 126 | 156 | 11×11 | 4-∅ 14 | 42(F04) | 50(F05) |
| КПР-3Ф-032 | F1¼" | 32 | 65 | 15,5 | 12 | 74 | 100 | 132 | 49×49 | 2,5 | 145 | 176 | 11×11 | 4-∅ 18 | 42(F04) | 50(F05) |
| КПР-3Ф-040 | F1½" | 40 | 80 | 14 | 14 | 82 | 110 | 145 | 66×66 | 2 | 167 | 193 | 14×14 | 4-∅ 18 | 50(F05) | 70(F07) |
| КПР-3Ф-050 | F2" | 50 | 80 | 17 | 16 | 98 | 125 | 160 | 69×69 | 4 | 175 | 230 | 14×14 | 4-∅ 18 | 50(F05) | 70(F07) |
| КПР-3Ф-065 | F2½" | 65 | 115 | 17 | 20 | 108 | 145 | 178 | 91×91 | 3 | 220 | 286 | 17×17 | 4-∅ 18 | 70(F07) | 102(F10) |
| КПР-3Ф-080 | F3" | 80 | 115 | 20 | 20 | 132 | 160 | 195 | 95×95 | 2,5 | 230 | 313 | 17×17 | 8-∅ 18 | 70(F07) | 102(F10) |
| КПР-3Ф-100 | F4" | 100 | 154 | 19 | 21 | 156 | 190 | 210 | 93×93 | 2,5 | 275 | 347 | 19×19 | 8-∅ 18 |
Войдите в учётную запись, чтобы мы могли сообщить вам об ответе
Возможно, вас это заинтересует
Наша компания производит доставку по всей Республики Беларусь Мы предлагаем только те товары, в качестве которых мы уверены У вас есть 30 дней, для того чтобы протестировать вашу покупку | |
