"Кран шаровой фланцевый КПР-4Ф с ручным приводом предназначен для управления потоком рабочей среды в трубопроводе
Особенности: - Ручное управление краном
- Долгий срок службы
- Для крана КПР-4Ф-050 при использовании монтажного крепежа КМКУ-62 возможна установка приводов с ISO 5211: ППР1-075, ППР2-063, ЭПР1-008, ЭПР4-010. Также возможна установка на кран КПР-4Ф-050 и трех более мощных типов приводов
Технические характеристики:
| Параметр | Значение |
| Рабочая среда | Пар, вода, горячая вода, воздух, инертные газы, масла |
| Материал | Корпуса: чугунУплотнения: PTFE |
| Температура рабочей среды | −20...200° |
| Рабочее давление | 0,0...2,4 МПа |
| Диаметр условного прохода | 15...100 мм |
| Присоединение крана | Фланцевое F½"...F4" |
| Модель ручного привода | ПРК |
Модификации:| Модель | Ду, мм | Kv, м³/ч | Присоединение | Крутящий момент, Н·м | Посадочный размер, мм | Вес, кг |
| КПР-4Ф-015 FHP | 15 | 20 | F½" | 28 | 9×9 | 4 |
| КПР-4Ф-020 FHP | 20 | 38 | F¾" | 28 | 9×9 | 4 |
| КПР-4Ф-025 FHP | 25 | 69 | F1" | 30 | 11×11 | 6 |
| КПР-4Ф-032 FHP | 32 | 93 | F1¼" | 30 | 11×11 | 9 |
| КПР-4Ф-040 FHP | 40 | 144 | F1½" | 38 | 14×14 | 10 |
| КПР-4Ф-050 FHP | 50 | 229 | F2" | 45 | 17×17* | 9,2 |
| КПР-4Ф-065 FHP | 65 | 404 | F2½" | 60 | 19×19 | 19 |
| КПР-4Ф-080 FHP | 80 | 573 | F3" | 84 | 19×19 | 31 |
| КПР-4Ф-100 FHP | 100 | 936 | F4" | 120 | 22×22 | 23,7 |
* Посадочный размер крана КПР-4Ф-050: без КМКУ – 17×17 мм, с КМКУ – 14×14 мм
Таблица выбора привода для крана КПР-4Ф:| Модель крана | Посадочный размер, мм | Крутящий момент, Н·м | Модель привода |
| Ручной ПРК |
| КПР-4Ф-015 | 9×9 | 28 | ПРК-015, -020 |
| КПР-4Ф-020 | 9×9 | 28 | ПРК-020 |
| КПР-4Ф-025 | 11×11 | 30 | ПРК-025, -032 |
| КПР-4Ф-032 | 11×11 | 30 | ПРК-032 |
| КПР-4Ф-040 | 14×14 | 38 | ПРК-040, -050 |
| КПР-4Ф-050 | 17×17 | 45 | ПРК-065, -080 |
| КПР-4Ф-065 | 19×19 | 60 | ПРК-100 |
| КПР-4Ф-080 | 19×19 | 84 | ПРК-100 |
| КПР-4Ф-100 | 22×22 | 120 | – |
"
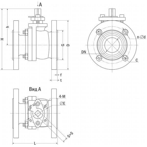
| Габаритные размеры |
 |
"
| Модель | Размеры, мм |
| F | DN | C | D | E | f | G | h | H | L | M | S×S | n-∅ d | t |
| КПР-4Ф-015 | F½" | 15 | 65 | 95 | 42 | 2 | 45 | 88 | 135,5 | 115 | M5 | 9×9 | 4-∅ 14 | 14 |
| КПР-4Ф-020 | F¾" | 20 | 75 | 105 | 42 | 2 | 58 | 100 | 150 | 120 | M5 | 9×9 | 4-∅ 14 | 16 |
| КПР-4Ф-025 | F1" | 25 | 85 | 115 | 42 | 2 | 68 | 103 | 165,5 | 125 | M5 | 11×11 | 4-∅ 14 | 16 |
| КПР-4Ф-032 | F1¼" | 32 | 100 | 140 | 50 | 2 | 78 | 120 | 187,5 | 130 | M6 | 11×11 | 4-∅ 19 | 18 |
| КПР-4Ф-040 | F1½" | 40 | 110 | 150 | 50 | 3 | 88 | 130 | 200 | 140 | M6 | 14×14 | 4-∅ 19 | 18 |
| КПР-4Ф-050 | F2" | 50 | 125 | 165 | 70 | 3 | 99 | 124 | 206,5 | 150 | M8 | 17×17 | 4-∅ 19 | 20 |
| КПР-4Ф-065 | F2½" | 65 | 145 | 185 | 102 | 3 | 122 | 174 | 244 | 170 | M10 | 19×19 | 4-∅ 19 | 20 |
| КПР-4Ф-080 | F3" | 80 | 160 | 200 | 102 | 3 | 138 | 187 | 279,5 | 180 | M10 | 19×19 | 8-∅ 19 | 22 |
| КПР-4Ф-100 | F4" | 100 | 180 | 218 | 102 | 3 | 155 | 195 | 304 | 192 | M10 | 22×22 | 8-∅ 19 | 24 |
"