"Кран-«бабочка» с пневмоприводом КПР-БФ7 предназначен для управления потоком рабочей среды в трубопроводе
Особенности: - Стандарт присоединения крана к приводу ISO5211
Технические характеристики:
| Параметр | Значение |
| Рабочая среда | Жидкие и газообразные среды, неагрессивные к материалам клапана |
| Рабочая среда управления приводом | Сухой воздух/воздух с примесью масла, инертные газы, не агрессивные к материалам привода (привода) |
| Материал | Корпуса: чугун, латунь, нержавеющая стальДиска: чугун, латунь, нержавеющая стальУплотнения: VITON, EPDM, PTFE, NBR |
| Температура рабочей среды | −23...150°C (VITON)−45...135°C (EPDM)−10...150°C (PTFE)−12...82°C (NBR) |
| Рабочее давление | 1,6 МПа |
| Диаметр условного прохода | 50...1000 мм |
| Присоединение | Фланцевое |
| Модель пневмопривода | ППР1, ППР2 |
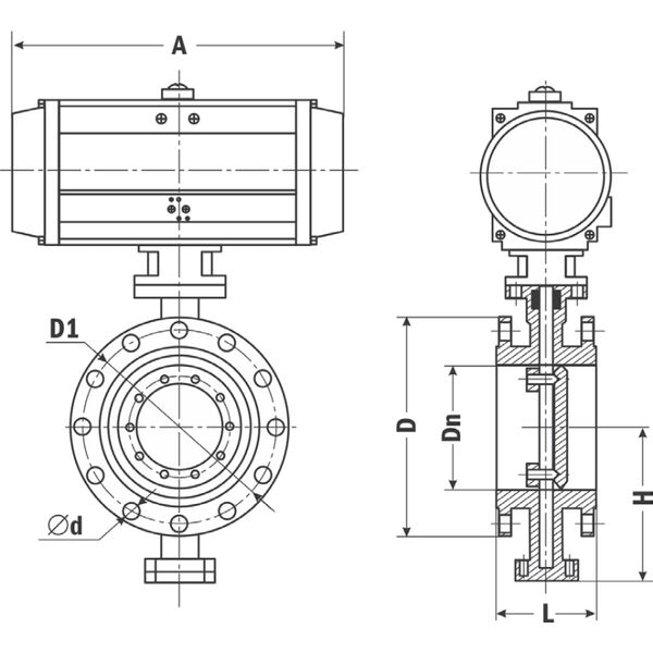
Модификации: | Модель | Размеры, мм | Модельпневмопривода |
| Ду (Dn) | A | D | D1 | H | L | n-∅d | H×H | E | K | n-∅ d2 |
| КПР-БФ7-50 | 50 | 212 | 165 | 125 | 112 | 108 | 4-18 | 11×11 | 70 | 90 | 4-10 | ППР-052 |
| КПР-БФ7-65 | 65 | 258 | 185 | 145 | 115 | 112 | 4-18 | ППР-052 |
| КПР-БФ7-80 | 80 | 287 | 200 | 150 | 120 | 114 | 8-18 | ППР-063 |
| КПР-БФ7-100 | 100 | 342,5 | 220 | 180 | 138 | 127 | 8-18 | ППР-075 |
| КПР-БФ7-125 | 125 | 412 | 250 | 210 | 164 | 140 | 8-18 | 14×14 | ППР-083 |
| КПР-БФ7-150 | 150 | 490 | 285 | 240 | 175 | 140 | 8-22 | ППР-105 |
| КПР-БФ7-200 | 200 | 490 | 340 | 295 | 215 | 152 | 8-22 | 17×17 | 102 | 125 | 4-12 | ППР-125 |
| КПР-БФ7-250 | 250 | 544 | 405 | 355 | 243 | 165 | 12-22 | 22×22 | ППР-140 |
| КПР-БФ7-300 | 300 | 580 | 460 | 410 | 285 | 178 | 12-26 | ППР-160 |
| КПР-БФ7-350 | 350 | 580 | 520 | 417 | 320 | 190 | 16-26 | ППР-190 |
| КПР-БФ7-400 | 400 | 580 | 580 | 525 | 350 | 216 | 16-30 | 27×27 | 140 | 175 | 4-18 | ППР-190 |
| КПР-БФ7-450 | 450 | 622 | 640 | 585 | 350 | 222 | 20-30 | ППР-210 |
| КПР-БФ7-500 | 500 | 766 | 715 | 650 | 380 | 229 | 20-33 | 36×36 | ППР-240 |
| КПР-БФ7-600 | 600 | 794 | 840 | 771 | 435 | 267 | 20-36 | C16×63 | 165 | 210 | 4-22 | ППР-270 |
| КПР-БФ7-700 | 700 | 794 | 910 | 840 | 480 | 292 | 24-36 | C18×80 | 254 | 300 | 8-18 | ППР-270 |
| КПР-Б7-800 | 800 | 880 | 1025 | 950 | 530 | 318 | 24-39 | ППР-300 |
| КПР-БФ7-900 | 900 | 880 | 1125 | 1050 | 595 | 330 | 28-39 | C20×110 | ППР-350 |
| КПР-БФ7-1000 | 1000 | 1076 | 1255 | 1170 | 650 | 410 | 28-42 | C22×125 | ППР-400 |
"
| Габаритные размеры |
 |
 |
"