"Кран шаровой трехходовой фланцевый КПР-Т3Ф с ручным приводом предназначен для управления потоком рабочей среды в трубопроводе
Особенности: - Угол полного поворота: 90°
- Долгий срок службы
Технические характеристики:
| Параметр | Значение |
| Тип крана | L (переключающий) |
| Рабочая среда | Пар, вода, горячая вода, воздух, инертные газы, природный газ, масла, азотная кислота, уксус |
| Материал | Корпуса: нержавеющая стальУплотнения: PTFE |
| Температура рабочей среды | −20...150°С |
| Рабочее давление | 0,0...1,6 МПа |
| Диаметр условного прохода | 50...100 мм |
| Присоединение крана | Резьбовое F2"...F4" |
| Стандарт присоединения крана к приводу | ISO5211 |
| Модель ручного привода | ПРК2 |
Модификации:| Модель | Ду, мм | Kv, м³/ч | Присоединение | Посадочный размер крана, мм | Посадочный размер крана (с КМКУ), мм | Вес, кг |
| КПР-Т3Ф-050 FSP | 50 | 229 | F2" | 17×17 | 17×17 | 12,2 |
| КПР-Т3Ф-065 FSP | 65 | 404 | F2½" | 17×17 | 22×22 | 34 |
| КПР-Т3Ф-080 FSP | 80 | 573 | F3" | 19×19 | 27×27 | 43,5 |
| КПР-Т3Ф-100 FSP | 100 | 936 | F4" | 22×22 | 27×27 | 60 |
Таблица выбора привода для крана КПР-Т3Ф:| Модель крана | Посадочный размер, мм | Крутящий момент, Н·м | Модель привода |
| Ручной ПРК | Пневмоприводы | Электроприводы |
| Без КМКУ | С КМКУ | ППР1 | ППР2 | ЭПР1 | ЭПР4 |
| КПР-Т3Ф-050 | 17×17 | 17×17 | 60 | ПРК-065, -080 | ППР1-092 | ППР2-092 | ЭПР1-015 | ЭПР4-020 |
| КПР-Т3Ф-065 | 17×17 | 22×22 | 90 | ПРК-065, -080 | ППР1-105 | ППР2-105 | ЭПР1-060 | ЭПР4-020 |
| КПР-Т3Ф-080 | 19×19 | 27×27 | 110 | ПРК-100 | ППР1-140 | ППР2-140 | ЭПР1-100 | ЭПР4-100 |
| КПР-Т3Ф-100 | 22×22 | 27×27 | 160 | – | ППР1-140 | ППР2-140 | ЭПР1-100 | ЭПР4-100 |
Рекомендуется устанавливать на кран либо соответствующий ему тип привода ППР или ЭПР из таблицы, либо следующий за ним. Для ППР также возможна установка приводов на один или два типоразмера больше номинального с применением переходников ПП44 и ПП84.Например, на кран КПР-Т3Ф-050 можно поставить ППР1-092, а при необходимости (высокое давление среды, срочная замена и т. д.) возможно установить и ППР1-105, -125.Если посадочный размер привода больше посадочного размера крана, то нужно использовать переходник типа «звезда-квадрат» ПП84, при необходимости в комбинации с переходником «квадрат-квадрат» ПП44. " "
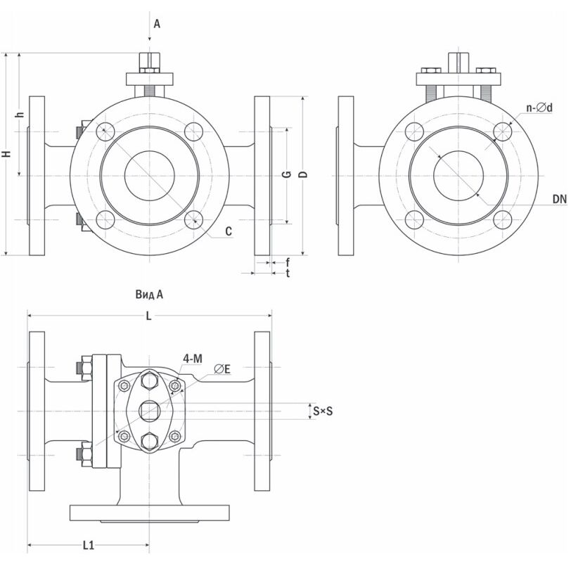
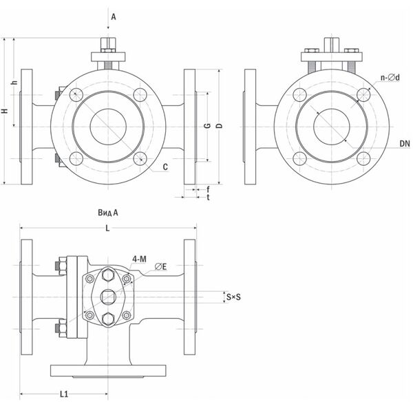
| Габаритные размеры |
 |
"
| Модель | Размеры, мм |
| DN | C | D | ∅ E | f | G | h | H | L | L1 | 4-M | n-∅ d | S×S | t |
| КПР-Т3Ф-050 | 50 | 120 | 150 | – | 1,5 | 90 | 122 | 197 | 241 | 122 | – | 4-18 | 17×17 | 18 |
| КПР-Т3Ф-065 | 65 | 145 | 180 | 102 | 3 | 120 | 174 | 264 | 260 | 130 | M10 | 4-18 | 17×17 | 18 |
| КПР-Т3Ф-080 | 80 | 160 | 195 | 102 | 3 | 135 | 187 | 284,5 | 280 | 140 | M10 | 8-18 | 19×19 | 18 |
| КПР-Т3Ф-100 | 100 | 180 | 215 | 102 | 3 | 155 | 195 | 302,5 | 320 | 160 | M10 | 8-18 | 22×22 | 20 |
"