"Энкодер LK-90S предназначен для измерения линейного перемещения
Особенности: - Применение в упаковочной, печатной и текстильной промышленностях, лесо- и древообработке, при протягивании проводов и кабелей и т.п.
- Подключение к сети с помощью штекерной вилки
Технические характеристики:
| Параметр | Значение |
| Диапазон измерения перемещения | 0…9999,9 м |
| Дискретность счета | 0,1 м |
| Максимальная скорость | 120 м/мин |
| Индикатор | СД пятиразрядный |
| Питание | ~220 В ± 10% |
| Температура эксплуатации | −10…40°С |
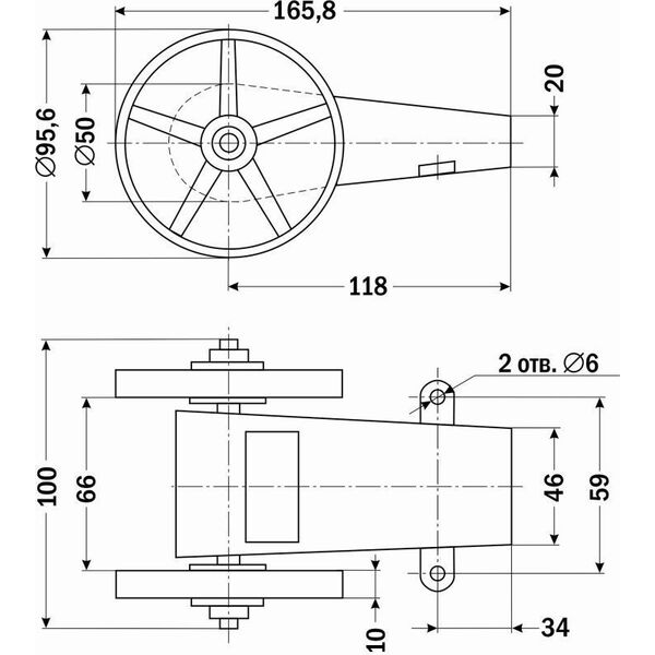
| Габаритные размеры | 165,8×100×95,6 мм |
"
| Габаритный чертеж |
 |
"