"Пневматический клапан нормально закрытый одностороннего действия с поршнем ПК22-1 предназначен для управления потоком рабочей среды в трубопроводе
Особенности: - Клапан нормально закрытый одностороннего действия
- Работа при высоких температурах до +150°C
- Пневмопривод в комплекте
- Срабатывание при нулевом давлении
- Плавное открытие/закрытие клапана
- Защита трубопровода от гидравлических ударов благодаря специальной конструкции клапана
- Долгий срок службы
Принцип действия и область применения: Нормально закрытый пневматический клапан одностороннего действия с поршнем – это клапан, в котором открытое положение сохраняется при подаче управляющего давления на него. При снятии управляющего давления под действием пружины клапан автоматически закрывается и перекрывает поток рабочей среды в трубопроводе.В большинстве случаев подходит для эксплуатации в системах водоснабжения, теплоснабжения, вентиляции и пневмоуправления. Особенно актуально применение данного типа клапана, когда клапан должен быть закрыт большую часть времени либо когда он обязательно должен быть закрыт при снятии управляющего давления.
Технические характеристики:
| Параметр | Значение |
| Рабочая среда | Пар, воздух, инертные газы, вода, горячая вода, масла |
| Материал | Корпуса клапана: латуньКорпуса привода: алюминийУплотнения: VITON |
| Температура рабочей среды клапана | −20...150°C |
| Рабочее давление среды | 0...0,8 МПа |
| Диаметр условного прохода | 13...43 мм |
| Присоединение | Резьбовое G½"...G2" |
| Управляющая среда | Воздух, нейтральные газы |
| Управляющее давление | 0,4...0,8 МПа |
| Присоединение воздуховодов | Резьбовое G⅛" |
Модификации:| Модель | Ду, мм | Диаметр привода, мм | Kv, м³/ч | Присоединение | Присоединение воздуховодов | Вес,кг |
| ПК22-1-15 GBV | 13 | 38 | 4 | ½" | ⅛" | 0,38 |
| ПК22-1-20 GBV | 16 | 38 | 5 | ¾" | 0,45 |
| ПК22-1-25 GBV | 22 | 38 | 10 | 1" | 0,61 |
| ПК22-1-40 GBV | 34 | 55 | 25 | 1½" | 1,65 |
| ПК22-1-50 GBV | 43 | 68 | 40 | 2" | 2,32 |
"
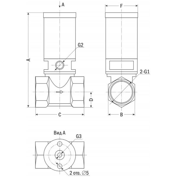
| Габаритные размеры |
 |
| Модель | Размеры, мм |
| A | B | C | D | F | G1 | G2 | G3 |
| ПК22-1-15 | 103 | 25 | 45 | 14 | 38 | G½" | G⅛" | M5 |
| ПК22-1-20 | 109 | 31 | 50 | 17,5 | 38 | G¾" | G⅛" | M5 |
| ПК22-1-25 | 118 | 38 | 64,5 | 22 | 38 | G1" | G⅛" | M5 |
| ПК22-1-40 | 168 | 54 | 82 | 30,5 | 55 | G1½" | G⅛" | G⅛" |
| ПК22-1-50 | 177 | 67 | 100 | 37,5 | 68 | G2" | G⅛" | G⅛" |
"