"Пневмоцилиндр двойной ПНЦ-Е предназначен для преобразования энергии сжатого воздуха в механическое линейное перемещение
Особенности: - На цилиндре установлено магнитное кольцо на поршне для бесконтактного определения его положения с помощью герконовых датчиков
- Регулируемый демпфер
Технические характеристики:
| Параметр | Значение |
| Тип цилиндра | Двустороннего действия |
| Рабочая среда | Очищенный воздух (тонкость очистки 25 мкм) |
| Рабочее давление | 0,1…0,9 МПа |
| Максимальное допустимое давление | 1,35 МПа |
| Диаметр поршня | 10 мм, 16 мм, 20 мм, 25 мм, 32 мм |
| Присоединение | M5, G⅛" |
| Скорость хода поршня | 100…800 мм/с |
| Длина хода штока | 10…200 мм |
| Рабочая температура | −5…70°C |
| Материал: – корпуса– поршня– штока– уплотнения | Анодированный алюминийАлюминиевый сплавСталь с твердым хромовым покрытиемNBR |
"
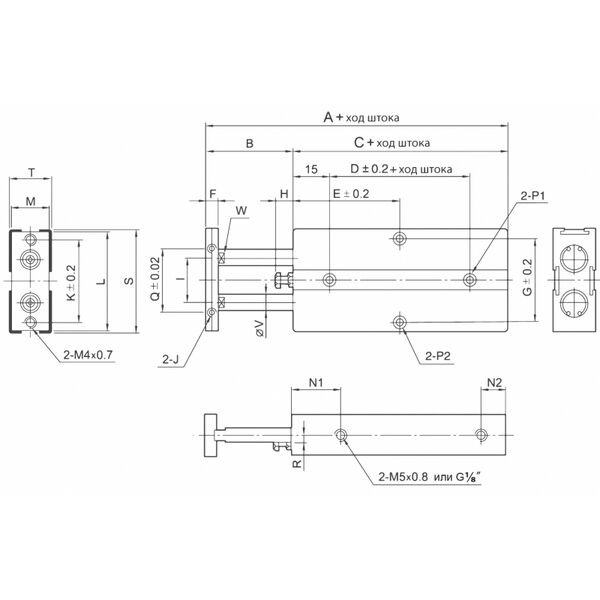
| Габаритные размеры |
 |
"
| Диаметр, мм | Размеры, мм |
| A | B | C | D | E | F | G |
| 10 | 20 | 30 | 40 | 50 | 60 | 70 | 80 | 90 | 100 | 125 | 150 |
| 10 | 63 | 12 | 51 | 10 | 30 | 30 | 35 | 40 | 45 | 50 | 55 | − | − | − | − | − | 5 | 34 |
| 16 | 68 | 15 | 53 | 20 | 30 | 35 | 40 | 45 | 50 | 55 | 60 | 65 | 70 | 75 | 87,5 | 100 | 8 | 47 |
| 20 | 78 | 20 | 58 | 20 | 35 | 35 | 40 | 45 | 50 | 55 | 60 | 65 | 70 | 75 | 87,5 | 100 | 10 | 55 |
| 25 | 81 | 19 | 62 | 30 | 40 | 40 | 45 | 50 | 55 | 60 | 65 | 70 | 75 | 80 | 92,5 | 105 | 10 | 66 |
| 32 | 108 | 30 | 78 | 35 | 45 | 50 | 55 | 60 | 65 | 70 | 75 | 80 | 85 | 90 | 102,5 | 115 | 17 | 83 |
| Диаметр, мм | Размеры, мм |
| H | I | J | K | L | M | N1 | N2 | P1 | P2 | Q | R | S | T | V | W |
| 10 | 7 | 18 | M3×0,5глубина 5 | 34 | 41 | 16 | 20 | 10 | 3,4 | 3,4 | 26 | 2,5 | 42 | 17 | 6 | 5,1 |
| 16 | 7 | 24 | M4×0,7глубина 5 | 47 | 53 | 20 | 22 | 11 | 4,5 | 4,5 | 34 | 3 | 54 | 21 | 8 | 6,1 |
| 20 | 10 | 28 | M4×0,7глубина 5 | 55 | 61 | 24 | 25 | 12 | 4,5 | 4,5 | 44 | 3,5 | 62 | 25 | 10 | 8,1 |
| 25 | 9 | 34 | M4×0,7глубина 5 | 66 | 72 | 29 | 27 | 12 | 4,5 | 4,5 | 56 | 7 | 73 | 30 | 12 | 10,1 |
| 32 | 13 | 42 | M8×1,25глубина 5 | 83 | 94 | 38 | 40 | 14 | 5,5 | 5,5 | 76 | 10 | 96 | 40 | 16 | 14,1 |
"