"Пневмоцилиндр общепромышленный ПНЦ-Т предназначен для преобразования энергии сжатого воздуха в механическое линейное перемещение
Особенности: - Возможна установка магнитного кольца на поршне для бесконтактного определения его положения с помощью герконовых датчиков
- Регулируемый демпфер
Технические характеристики:
| Параметр | Значение |
| Тип цилиндра | Двустороннего действия |
| Рабочая среда | Очищенный воздух (тонкость очистки 25 мкм) |
| Рабочее давление | 0,1…0,9 МПа |
| Максимальное допустимое давление | 1,35 МПа |
| Диаметр поршня | 32 мм, 40 мм, 50 мм, 63 мм, 80 мм, 100 мм, 125 мм, 160 мм, 200 мм, 250 мм |
| Присоединение | G⅛"...G¾" |
| Скорость хода поршня | 50…800 мм/с |
| Длина хода штока | 25…1000 мм |
| Рабочая температура | −5…70°C |
| Материал:– корпуса– поршня– штока– уплотнения | Анодированный алюминийАлюминиевый сплавСталь с твердым хромовым покрытиемNBR |
| Стандарт | ISO 6431 |
"
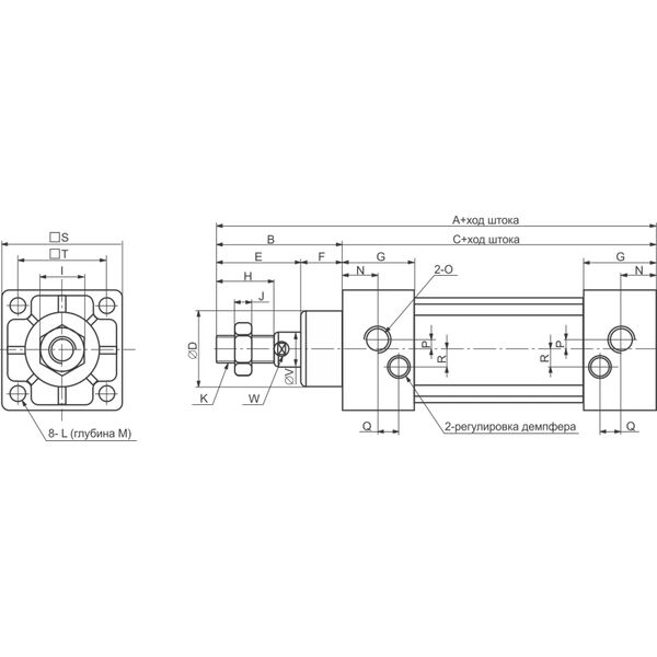
| Габаритные размеры |
 |
"
| Диаметр, мм | Размеры, мм |
| A | B | C | D | E | F | G | H | I | J | K |
| 32 | 140 | 47 | 93 | 28 | 32 | 15 | 27,5 | 22 | 17 | 6 | M10×1,25 |
| 40 | 142 | 49 | 93 | 32 | 34 | 15 | 27,5 | 24 | 17 | 7 | М12×1,25 |
| 50 | 150 | 57 | 93 | 38 | 42 | 15 | 27,5 | 32 | 23 | 8 | М16×1,5 |
| 63 | 153 | 57 | 96 | 28 | 42 | 15 | 27,5 | 32 | 23 | 8 | М16×1,5 |
| 80 | 182 | 75 | 107 | 47 | 54 | 21 | 33 | 40 | 26 | 10 | М20×1,5 |
| 100 | 188 | 75 | 113 | 47 | 54 | 21 | 33 | 40 | 26 | 10 | М20×1,5 |
| 125 | 279 | 119 | 160 | 60 | 74 | 45 | 46 | 54 | 41 | 13,5 | М27×2 |
| 160 | 332 | 152 | 180 | 65 | 94 | 58 | 50 | 72 | 55 | 18 | М36×2 |
| 200 | 347 | 167 | 180 | 75 | 100 | 67 | 50 | 72 | 55 | 18 | М36×2 |
| 250 | 389 | 189 | 200 | 90 | 111 | 78 | 58 | 84 | 65 | 21 | М42×2 |
"
| Диаметр, мм | Размеры, мм |
| L | M | N | O | P | Q | R | S | T | V | W |
| 32 | М6×1 | 9,5 | 13,7 | G⅛" | 3,5 | 7,5 | 7 | 45 | 33 | 12 | 10 |
| 40 | М6×1 | 9,5 | 13,5 | G¼" | 6 | 8,2 | 9 | 50 | 37 | 16 | 14 |
| 50 | М6×1 | 9,5 | 13,5 | G¼" | 8,5 | 8,2 | 9 | 62 | 47 | 20 | 17 |
| 63 | М8×1,25 | 9,5 | 13,5 | G⅜" | 7 | 8,2 | 8,5 | 75 | 56 | 20 | 17 |
| 80 | М10×1,25 | 11,5 | 16,5 | G⅜" | 10 | 9,5 | 14 | 94 | 70 | 25 | 22 |
| 100 | М10×1,25 | 11,5 | 16,5 | G½" | 11 | 9,5 | 14 | 112 | 84 | 25 | 22 |
| 125 | М12×1,25 | 20 | 23 | G½" | 14 | – | 14 | 140 | 110 | – | 27 |
| 160 | М16×1,5 | 24 | 25 | G¾" | 15 | – | 15 | 180 | 140 | – | 36 |
| 200 | М16×1,5 | 24 | 25 | G¾" | 15 | – | 15 | 220 | 175 | – | 36 |
| 250 | М20×1,5 | 25 | 31 | – | 22 | – | 22 | 282 | 220 | – | 46 |
"