"Гибридный шаговый двигатель ШДГ-28 предназначен для преобразования электрических импульсов в дискретные механические перемещения. Шаговые двигатели широко применяются в станках с ЧПУ (фрезерные, гравировальные станки, машины лазерной, плазменной или газовой резки металла), в роботах, конвейерах, системах подачи и т.д.
Особенности: - Высокая точность позиционирования без необходимости в обратной связи
- Длительный срок службы, высокая износоустойчивость и безотказность работы благодаря отсутствию механически трущихся деталей или частей
- Двигатель обеспечивает полный момент в режиме остановки
- Возможность быстрого старта, остановки или реверсирования
- Совместимость с современными цифровыми устройствами
Технические характеристики:
| Параметр | Значение |
| Угловой шаг | 1,8° |
| Количество шагов на оборот | 200 |
| Количество фаз | 2 |
| Типоразмер NEMA | 11 |
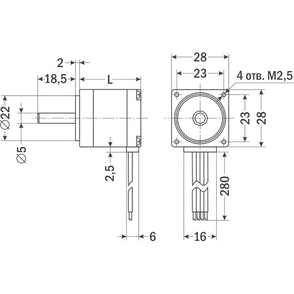
| Фланец | 28 мм |
| Количество проводов | 4 |
Модификации: | Модель | Крутящий момент на валу, Н·м | Номинальный ток, А/фаза | Номинальное сопротивление, Ом/фаза | Индуктивность, мГн/фаза | Момент инерции ротора, г·см² | Длина L, мм |
| ШДГ-28.30,3-0,07/0,6 | 0,07 | 0,6 | 6,7 | 5 | 9 | 30,3 |
| ШДГ-28.30,1-0,07/1 | 0,07 | 1 | 2,4 | 1,8 | 9 | 30,1 |
| ШДГ-28.39,2-0,12/0,6 | 0,12 | 0,6 | 9,3 | 7,5 | 12 | 39,2 |
| ШДГ-28.39,2-0,12/1 | 0,12 | 1 | 3,3 | 2,7 | 12 | 39,2 |
| ШДГ-28.50,4-0,18/0,6 | 0,18 | 0,6 | 12,5 | 11 | 18 | 50,4 |
| ШДГ-28.50,4-0,18/1 | 0,18 | 1 | 4,4 | 4 | 18 | 50,4 |
"
| Габаритные размеры |
 |
"