"Гибридный шаговый двигатель ШДГ-35 предназначен для преобразования электрических импульсов в дискретные механические перемещения. Шаговые двигатели широко применяются в станках с ЧПУ (фрезерные, гравировальные станки, машины лазерной, плазменной или газовой резки металла), в роботах, конвейерах, системах подачи и т.д.
Особенности: - Высокая точность позиционирования без необходимости в обратной связи
- Длительный срок службы, высокая износоустойчивость и безотказность работы благодаря отсутствию механически трущихся деталей или частей
- Двигатель обеспечивает полный момент в режиме остановки
- Возможность быстрого старта, остановки или реверсирования
- Совместимость с современными цифровыми устройствами
Технические характеристики:
| Параметр | Значение |
| Угловой шаг | 1,8° |
| Количество шагов на оборот | 200 |
| Количество фаз | 2 |
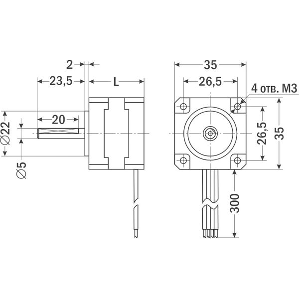
| Типоразмер NEMA | 14 |
| Фланец | 35 мм |
| Количество проводов | 4 |
Модификации: | Модель | Крутящий момент на валу, Н·м | Номинальный ток, А/фаза | Номинальное сопротивление, Ом/фаза | Индуктивность, мГн/фаза | Момент инерции ротора, г·см² | Длина L, мм |
| ШДГ-35.26,7-0,1/0,95 | 0,1 | 0,95 | 3,3 | 3,7 | 12 | 26,7 |
| ШДГ-35.26,5-0,1/0,56 | 0,1 | 0,56 | 9,3 | 10,4 | 12 | 26,5 |
| ШДГ-35.36,5-0,18/0,95 | 0,18 | 0,95 | 4,8 | 8 | 20 | 36,5 |
| ШДГ-35.36,5-0,18/0,56 | 0,18 | 0,56 | 13,6 | 24,4 | 20 | 36,5 |
"
| Габаритные размеры |
 |
"