"Гибридный шаговый двигатель ШДГ-42 предназначен для преобразования электрических импульсов в дискретные механические перемещения. Шаговые двигатели широко применяются в станках с ЧПУ (фрезерные, гравировальные станки, машины лазерной, плазменной или газовой резки металла), в роботах, конвейерах, системах подачи и т.д.
Особенности: - Высокая точность позиционирования без необходимости в обратной связи
- Длительный срок службы, высокая износоустойчивость и безотказность работы благодаря отсутствию механически трущихся деталей или частей
- Двигатель обеспечивает полный момент в режиме остановки
- Возможность быстрого старта, остановки или реверсирования
- Совместимость с современными цифровыми устройствами
Технические характеристики:
| Параметр | Значение |
| Угловой шаг | 1,8° |
| Количество шагов на оборот | 200 |
| Количество фаз | 2 |
| Типоразмер NEMA | 17 |
| Фланец | 42 мм |
| Количество проводов | 4 |
Модификации: | Модель | Крутящий момент на валу, Н·м | Номинальный ток, А/фаза | Номинальное сопротивление, Ом/фаза | Индуктивность, мГн/фаза | Момент инерции ротора, г·см² | Длина L, мм |
| ШДГ-42.33,5-0,31/1,4 | 0,31 | 1,4 | 2,3 | 3,8 | 36 | 33,5 |
| ШДГ-42.33,5-0,31/1 | 0,31 | 1 | 4,7 | 7,7 | 36 | 33,5 |
| ШДГ-42.33,5-0,31/0,7 | 0,31 | 0,7 | 9 | 15 | 36 | 33,5 |
| ШДГ-42.33,5-0,31/0,5 | 0,31 | 0,5 | 18,6 | 30 | 36 | 33,5 |
| ШДГ-42.39,5-0,46/1,7 | 0,46 | 1,7 | 2,1 | 4 | 55 | 39,5 |
| ШДГ-42.39,5-0,46/1,2 | 0,46 | 1,2 | 3,9 | 7,8 | 55 | 39,5 |
| ШДГ-42.39,5-0,46/0,85 | 0,46 | 0,85 | 7,9 | 16 | 55 | 39,5 |
| ШДГ-42.39,5-0,46/0,6 | 0,46 | 0,6 | 15,5 | 31 | 55 | 39,5 |
| ШДГ-42.47,5-0,6/1,96 | 0,6 | 1,96 | 1,9 | 4 | 73 | 47,5 |
| ШДГ-42.47,5-0,6/1,4 | 0,6 | 1,4 | 3,5 | 7,4 | 73 | 47,5 |
| ШДГ-42.47,5-0,6/1 | 0,6 | 1 | 7,2 | 15 | 73 | 47,5 |
| ШДГ-42.47,5-0,6/0,7 | 0,6 | 0,7 | 13,8 | 29 | 73 | 47,5 |
| ШДГ-42.59,5-0,89/2,3 | 0,89 | 2,3 | 1,6 | 4 | 110 | 59,5 |
| ШДГ-42.59,5-0,89/1,65 | 0,89 | 1,65 | 3,3 | 7,7 | 110 | 59,5 |
| ШДГ-42.59,5-0,89/1,5 | 0,89 | 1,5 | 6,4 | 15 | 110 | 59,5 |
| ШДГ-42.59,5-0,89/0,82 | 0,89 | 0,82 | 12,9 | 30 | 110 | 59,5 |
"
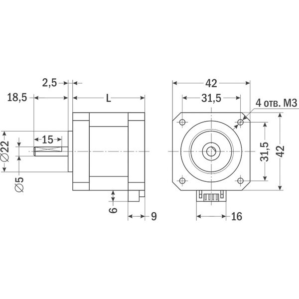
| Габаритные размеры |
 |
"