"Гибридный шаговый двигатель ШДГ-57 предназначен для преобразования электрических импульсов в дискретные механические перемещения. Шаговые двигатели широко применяются в станках с ЧПУ (фрезерные, гравировальные станки, машины лазерной, плазменной или газовой резки металла), в роботах, конвейерах, системах подачи и т.д.
Особенности: - Высокая точность позиционирования без необходимости в обратной связи
- Длительный срок службы, высокая износоустойчивость и безотказность работы благодаря отсутствию механически трущихся деталей или частей
- Двигатель обеспечивает полный момент в режиме остановки
- Возможность быстрого старта, остановки или реверсирования
- Совместимость с современными цифровыми устройствами
Технические характеристики:
| Параметр | Значение |
| Угловой шаг | 1,8° |
| Количество шагов на оборот | 200 |
| Количество фаз | 2 |
| Типоразмер NEMA | 23 |
| Фланец | 57 мм |
| Количество проводов | 4 |
Модификации: | Модель | Крутящий момент на валу, Н·м | Номинальный ток, А/фаза | Номинальное сопротивление, Ом/фаза | Индуктивность, мГн/фаза | Момент инерции ротора, г·см² | Длина L, мм |
| ШДГ-57.40,5-0,64/2,4 | 0,64 | 2,4 | 1,2 | 2,4 | 120 | 40,5 |
| ШДГ-57.40,5-0,64/1,7 | 0,64 | 1,7 | 2,2 | 4,9 | 120 | 40,5 |
| ШДГ-57.40,5-0,64/1,2 | 0,64 | 1,2 | 4,4 | 9,7 | 120 | 40,5 |
| ШДГ-57.40,5-0,64/0,85 | 0,64 | 0,85 | 8,7 | 19,2 | 120 | 40,5 |
| ШДГ-57.53,5-1,3/3,5 | 1,3 | 3,5 | 0,8 | 2,4 | 260 | 53,5 |
| ШДГ-57.53,5-1,3/2,5 | 1,3 | 2,5 | 1,5 | 4,7 | 260 | 53,5 |
| ШДГ-57.53,5-1,3/1,75 | 1,3 | 1,75 | 3 | 10,3 | 260 | 53,5 |
| ШДГ-57.53,5-1,3/1,25 | 1,3 | 1,25 | 5,7 | 18,6 | 260 | 53,5 |
| ШДГ-57.75,5-2,3/4,4 | 2,3 | 4,4 | 0,76 | 2,5 | 450 | 75,5 |
| ШДГ-57.75,5-2,3/3,1 | 2,3 | 3,1 | 1,4 | 5 | 450 | 75,5 |
| ШДГ-57.75,5-2,3/2,2 | 2,3 | 2,2 | 2,8 | 10 | 450 | 75,5 |
| ШДГ-57.75,5-2,3/1,6 | 2,3 | 1,6 | 5,4 | 19,6 | 450 | 75,5 |
| ШДГ-57.81,5-2,5/4,4 | 2,5 | 4,4 | 0,81 | 3 | 520 | 81,5 |
| ШДГ-57.81,5-2,5/2,2 | 2,5 | 2,2 | 3,1 | 11,8 | 520 | 81,5 |
| ШДГ-57.99,5-3,1/4,4 | 3,1 | 4,4 | 0,95 | 3,7 | 680 | 99,5 |
| ШДГ-57.99,5-3,1/3,1 | 3,1 | 3,1 | 1,9 | 7,3 | 680 | 99,5 |
| ШДГ-57.113 -3,6/4 | 3,6 | 4 | 1,16 | 4,5 | 810 | 113 |
| ШДГ-57.113 -3,6/3,1 | 3,6 | 3,1 | 1,87 | 7,3 | 810 | 113 |
"
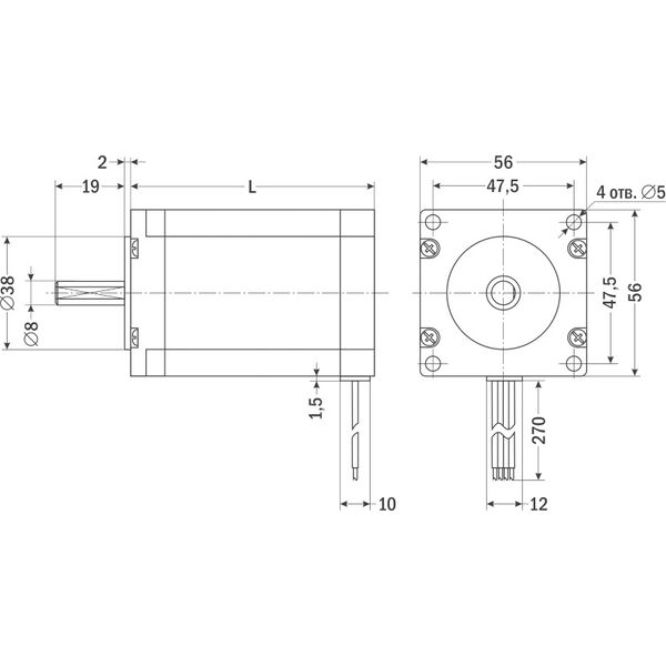
| Габаритные размеры |
 |
"