"Гибридный шаговый двигатель ШДГ-60 предназначен для преобразования электрических импульсов в дискретные механические перемещения. Шаговые двигатели широко применяются в станках с ЧПУ (фрезерные, гравировальные станки, машины лазерной, плазменной или газовой резки металла), в роботах, конвейерах, системах подачи и т.д.
Особенности: - Высокая точность позиционирования без необходимости в обратной связи
- Длительный срок службы, высокая износоустойчивость и безотказность работы благодаря отсутствию механически трущихся деталей или частей
- Двигатель обеспечивает полный момент в режиме остановки
- Возможность быстрого старта, остановки или реверсирования
- Совместимость с современными цифровыми устройствами
Технические характеристики:
| Параметр | Значение |
| Угловой шаг | 1,8° |
| Количество шагов на оборот | 200 |
| Количество фаз | 2 |
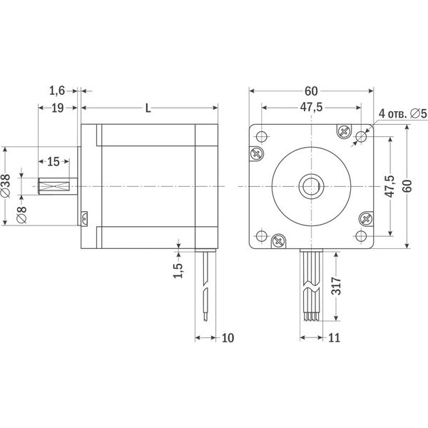
| Типоразмер NEMA | 24 |
| Фланец | 60 мм |
| Количество проводов | 4 |
Модификации: | Модель | Крутящий момент на валу, Н·м | Номинальный ток, А/фаза | Номинальное сопротивление, Ом/фаза | Индуктивность, мГн/фаза | Момент инерции ротора, г·см² | Длина L, мм |
| ШДГ-60.44,5-1/2,8 | 1 | 2,8 | 1 | 2,6 | 280 | 44,5 |
| ШДГ-60.44,5-1/4 | 1 | 4 | 0,5 | 1,3 | 280 | 44,5 |
| ШДГ-60.54,5-1,56/2,8 | 1,56 | 2,8 | 1,2 | 3,6 | 450 | 54,5 |
| ШДГ-60.54,5-1,56/4 | 1,56 | 4 | 0,6 | 1,8 | 450 | 54,5 |
| ШДГ-60.65,5-1,94/2,8 | 1,94 | 2,8 | 1,42 | 5,2 | 560 | 65,5 |
| ШДГ-60.65,5-1,94/4 | 1,94 | 4 | 0,72 | 2,6 | 560 | 65,5 |
| ШДГ-60.85,5-3,1/2,8 | 3,1 | 2,8 | 1,84 | 7 | 900 | 85,5 |
| ШДГ-60.85,5-3,1/4 | 3,1 | 4 | 0,93 | 3,5 | 900 | 85,5 |
| ШДГ-60.101,5-3,6/2,8 | 3,6 | 2,8 | 2,1 | 7,8 | 1130 | 101,5 |
| ШДГ-60.101,5-3,6/4 | 3,6 | 4 | 1,07 | 3,95 | 1130 | 101,5 |
"
| Габаритные размеры |
 |
"