"Гибридный шаговый двигатель ШДГ-86 предназначен для преобразования электрических импульсов в дискретные механические перемещения. Шаговые двигатели широко применяются в станках с ЧПУ (фрезерные, гравировальные станки, машины лазерной, плазменной или газовой резки металла), в роботах, конвейерах, системах подачи и т.д.
Особенности: - Высокая точность позиционирования без необходимости в обратной связи
- Длительный срок службы, высокая износоустойчивость и безотказность работы благодаря отсутствию механически трущихся деталей или частей
- Двигатель обеспечивает полный момент в режиме остановки
- Возможность быстрого старта, остановки или реверсирования
- Совместимость с современными цифровыми устройствами
Технические характеристики:
| Параметр | Значение |
| Угловой шаг | 1,8° |
| Количество шагов на оборот | 200 |
| Количество фаз | 2 |
| Типоразмер NEMA | 34 |
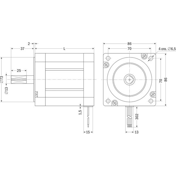
| Фланец | 86 мм |
| Количество проводов | 4 |
Модификации: | Модель | Крутящий момент на валу, Н·м | Номинальный ток, А/фаза | Номинальное сопротивление, Ом/фаза | Индуктивность, мГн/фаза | Момент инерции ротора, г·см² | Длина L, мм |
| ШДГ-86.67,5-3,04/6 | 3,04 | 6 | 0,3 | 2,4 | 1300 | 67,5 |
| ШДГ-86.67,5-3,04/3 | 3,04 | 3 | 1,2 | 9,5 | 1300 | 67,5 |
| ШДГ-86.96-6,08/6 | 6,08 | 6 | 0,46 | 4,7 | 2500 | 96 |
| ШДГ-86.96-6,08/3 | 6,08 | 3 | 1,85 | 18,6 | 2500 | 96 |
| ШДГ-86.119,5-8/6 | 8 | 6 | 0,62 | 7 | 3700 | 119,5 |
| ШДГ-86.119,5-8/3 | 8 | 3 | 2,48 | 28 | 3700 | 119,5 |
| ШДГ-86.126-9,2/6 | 9,2 | 6 | 0,65 | 6,4 | 3900 | 126 |
| ШДГ-86.126-9,2/3 | 9,2 | 3 | 2,6 | 25,4 | 3900 | 126 |
| ШДГ-86.156-12/6 | 12 | 6 | 0,85 | 10,1 | 5600 | 156 |
| ШДГ-86.156-12/3 | 12 | 3 | 3,4 | 40,4 | 5600 | 156 |
| ШДГ-86.79,5-4/6 | 4 | 6 | 1,6 | 15,2 | 1850 | 79,5 |
| ШДГ-86.79,5-4/3 | 4 | 3 | 0,4 | 3,8 | 1850 | 79,5 |
"
| Габаритные размеры |
 |
"