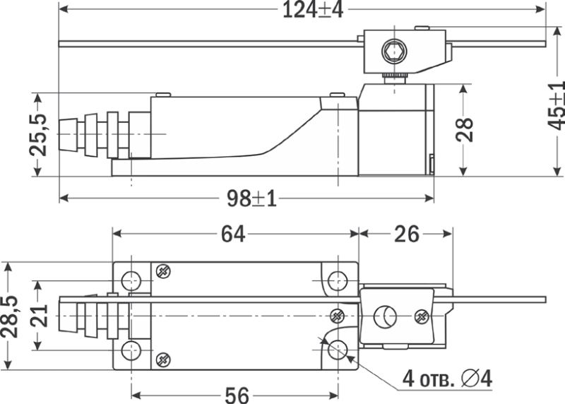
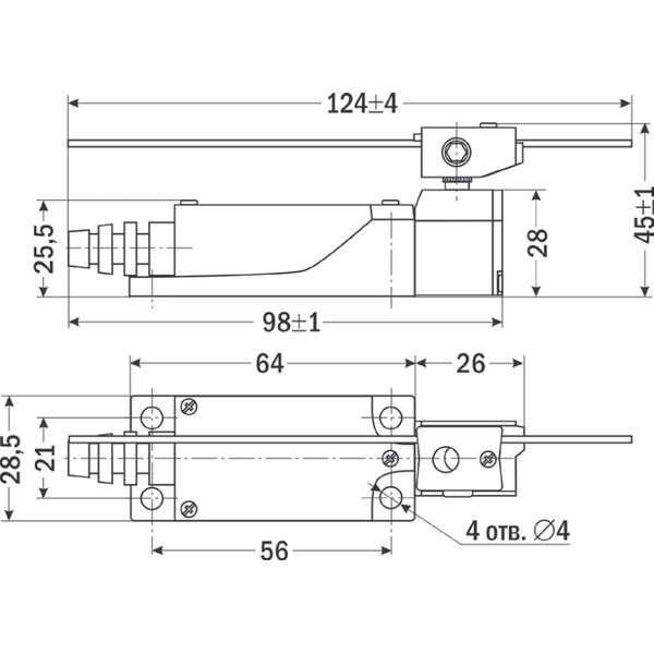
"Конечный выключатель TZ-8107 со срабатыванием на отклонение в сторону, с регулируемым штоком
Технические характеристики:
| Параметр | Значение |
| Быстродействие | 0,5...500 мм/с |
| Реле | ~5 А, 250 В |
| Контакт | НО+НЗ |
| Рабочая частота | Механическая: 120 опер./минЭлектрическая: 30 опер./мин |
| Износостойкость | Механическая: более 10 млн срабатыванийЭлектрическая: более 0,5 млн срабатываний |
| Условия эксплуатации | −10...70°C≤ 95%RH |
| Степень защиты | IP40 или IP65 |
| Габаритные размеры | 45×124×28,5 мм |
| Регулируемая длина штока | 30...110 мм |
| Вес | 154 г |
"
| Габаритные размеры |
 |
"